ZOOM TELEPHONICS, INC.
COMSTAR 28800
|
Card Type |
Fax, Modem (asynchronous), Voice |
|
Chip Set |
Unidentified |
|
I/O Options |
Speakerphone, Voice mail |
|
Maximum Data Rate |
28.8Kbps |
|
Maximum Fax Rate |
14.4Kbps |
|
Data Bus |
8-bit ISA |
|
Fax Class |
Class I & II |
|
Data Modulation Protocol |
Bell 103/212A ITU-T V.21, V.22, V.22bis, V.23, V.32, V.32bis, V.34 |
|
Fax Modulation Protocol |
ITU-T V.17, V.21CH2, V.27ter, V.29, V.33 |
|
Error Correction/Compression |
MNP10, V.42bis |

|
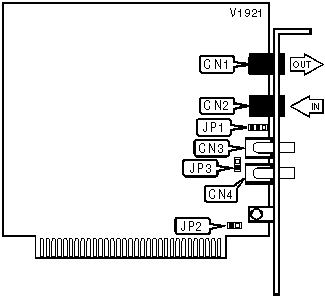
CONNECTIONS | ||||||
|
Function |
Label |
Function |
Label | |||
|
Line out |
CN1 |
Microphone |
CN3 | |||
|
Line in |
CN2 |
Speaker |
CN4 | |||
|
USER CONFIGURABLE SETTINGS | ||
|
Function |
Label |
Position |
|
í Electret microphone |
JP1 |
Pins 1 & 2 closed |
|
Plantronics headset |
JP1 |
Pins 2 & 3 closed |
|
Dynamic microphone |
JP1 |
Open |
|
í Unpowered speaker, volume medium level |
JP2 |
Closed |
|
Powered speaker, volume low level |
JP2 |
Open |
|
Volume high level |
JP2 |
Closed |
|
í Unpowered speaker, volume medium level |
JP3 |
Closed |
|
Powered speaker, volume low level |
JP3 |
Open |
|
Volume high level |
JP3 |
Open |
Proprietary AT Command Set
|
AUTO-RETRAIN - AUTO-FALLBACK/FALL-FORWARD | |
|
Type: |
Configuration |
|
Format: |
AT [cmds] %En [cmds] |
|
Description: |
Controls auto-retrain mode and auto-fallback/fall-forward |
|
Command |
Function |
|
%E0 |
Auto-retrain disabled |
|
%E1 |
Auto-retrain enabled |
|
í %E2 |
Auto-fallback/fall-forward enabled |
|
%E3 |
Auto-retrain enabled with fast hang-up |
|
BIT MAPPED REGISTERS | |
|
Register |
Default |
|
S14 |
Unidentified |
|
S16 |
Unidentified |
|
S21 |
Unidentified |
|
S22 |
Unidentified |
|
S23 |
Unidentified |
|
S27 |
Unidentified |
|
S28 |
Unidentified |
|
S31 |
Unidentified |
|
S40 |
Unidentified |
|
S41 |
Unidentified |
|
BREAK SEND | |
|
Type: |
Configuration |
|
Format: |
AT [cmds] \Bn [cmds] |
|
Default: |
3 |
|
Range: |
1-9 |
|
Unit: |
.1 second |
|
Description: |
Sends break to modem |
|
BREAK TYPE | |
|
Type: |
Configuration |
|
Format: |
AT [cmds] \Kn [cmds] |
|
Description: |
Configures action of break signal |
|
CALLER ID | |
|
Type: |
Configuration |
|
Format: |
AT [cmds] #CID=n [cmds] |
|
Description: |
Controls the Caller ID function |
|
Command |
Function |
|
#CID=0 |
Caller ID disabled |
|
#CID=1 |
Caller ID enabled |
|
COMPRESSION | |
|
Type: |
Configuration |
|
Format: |
AT [cmds] %Cn [cmds] |
|
Description: |
Selects data compression |
|
Command |
Function |
|
%C0 |
Data compression disabled |
|
%C1 |
MNP5 enabled |
|
%C2 |
V.42bis enabled |
|
í %C3 |
MNP5 and V.42bis enabled |
|
CONNECT MODE | |
|
Type: |
Configuration |
|
Format: |
AT [cmds] \Nn [cmds] |
|
Description: |
Controls the type of connection the modem will operate in |
|
Command |
Function |
|
\N0 |
Normal mode enabled |
|
\N1 |
Direct mode enabled |
|
\N2 |
Reliable mode enabled |
|
í \N3 |
Auto-reliable mode enabled |
|
\N4 |
LAP-M error correcting only enabled |
|
\N5 |
MNP error correcting only enabled |
|
DIAL | |
|
Type: |
Immediate |
|
Format: |
AT [cmds] D <#> [cmds] |
|
Description: |
Dials telephone number according to any modifiers included in the string |
|
Modifier |
Function |
|
L |
Redials last number |
|
P |
Pulse dialing enabled |
|
T |
Tone dialing enabled |
|
W |
Dialing resumed following dial tone detection |
|
, |
Dialing paused for amount of time specified in S8 register |
|
@ |
Modem waits for a ring-back signal followed by silence up to 5 second prior to executing the rest of the dial string. |
|
R |
Command recognized and not initiated |
|
; |
Modem returned to command mode after dialing. |
|
! |
Flash function initiated. Goes on-hook for amount of time specified in S29 register |
|
S=(0-3) |
Number in memory location &Zn dialed |
|
^ |
Calling tone enabled, data mode only. |
|
FLASH DIAL MODIFIER TIME | |
|
Type: |
Register |
|
Format |
AT [cmds] S29=n [cmds] |
|
Default: |
70 |
|
Range: |
0-255 |
|
Unit: |
.01 second |
|
Description: |
Time the modem will go on-hook upon receiving the ! dial modifier in dial string. |
|
FLOW CONTROL | |
|
Type: |
Configuration |
|
Format: |
AT [cmds] \Gn [cmds] |
|
Description: |
Selects modem port flow control |
|
Command |
Function |
|
í \G0 |
Flow control disabled |
|
\G1 |
Flow control enabled |
|
FLOW CONTROL | ||
|
Type: |
Register | |
|
Format: |
AT [cmds] S39=n [cmds] | |
|
Description: |
Select the type of flow control used | |
|
Command |
Function | |
|
S39=0 |
Flow control disabled | |
|
í S39=3 |
Hardware flow control enabled | |
|
S39=4 |
Software flow control enabled | |
|
S39=5 |
Transparent software flow control enabled | |
|
S39=6 |
Both hardware and software flow control enabled | |
|
FLOW CONTROL CHARACTER - XOFF | |
|
Type: |
Register |
|
Format: |
AT [cmds] S33=n [cmds] |
|
Default: |
19 |
|
Range: |
0-255 |
|
Unit: |
ASCII |
|
Description: |
Sets the character used to represent XOFF |
|
FLOW CONTROL CHARACTER - XON | |
|
Type: |
Register |
|
Format: |
AT [cmds] S32=n [cmds] |
|
Default: |
17 |
|
Range: |
0-255 |
|
Unit: |
ASCII |
|
Description: |
Sets the character used to represent XON |
|
LINE SIGNAL LEVEL | |
|
Type: |
Immediate |
|
Format: |
AT [cmds] %L [cmds] |
|
Description: |
Returns a value which indicates the received line signal level (-dBm) |
|
LINE SIGNAL QUALITY | |
|
Type: |
Immediate |
|
Format: |
AT [cmds] %Q [cmds] |
|
Description: |
Returns a value which indicates line signal quality |
|
MAXIMUM BLOCK SIZE FOR TRANSMISSION | |
|
Type: |
Configuration |
|
Format: |
AT [cmds] \An [cmds] |
|
Description: |
Sets the maximum transmittable block size |
|
Command |
Function |
|
\A0 |
MNP block size is 64 characters |
|
í \A1 |
MNP block size is 128 characters |
|
\A2 |
MNP block size is 192 characters |
|
\A3 |
MNP block size is 256 characters |
|
MNP - STREAM/BLOCK MODE | |
|
Type: |
Configuration |
|
Format: |
AT [cmds] \Ln [cmds] |
|
Description: |
Selects the transfer mode for MNP link |
|
Command |
Function |
|
í \L0 |
Stream mode for MNP enabled |
|
\L1 |
Block mode for MNP enabled |
|
MNP10 - EXTENDED SERVICES | |
|
Type: |
Configuration |
|
Format: |
AT [cmds] -Kn [cmds] |
|
Description: |
Selects MNP10 extended services |
|
Command |
Function |
|
í -K0 |
MNP10 disabled |
|
-K1 |
MNP10 enabled |
|
-K2 |
MNP10 enabled on originate mode only |
|
MNP10 - FALLBACK | |
|
Type: |
Configuration |
|
Format: |
AT [cmds] -Qn [cmds] |
|
Description: |
Allows MNP10 to fall back to 2400bps |
|
Command |
Function |
|
-Q0 |
MNP10 at 2400 disabled |
|
í -Q1 |
MNP10 at 2400 enabled |
|
MNP10 - LINK NEGOTIATION | |
|
Type: |
Configuration |
|
Format: |
AT [cmds] *Hn [cmds] |
|
Description: |
Sets the speed at which MNP10 link negotiation will occur |
|
Command |
Function |
|
í *H0 |
Link will be negotiated at highest possible speed |
|
*H1 |
Link will be negotiated at 1200bps |
|
*H2 |
Link will be negotiated at 4800bps |
|
MNP10 - POWER LEVEL ADJUST | |
|
Type: |
Configuration |
|
Format: |
AT [cmds] )Mn [cmds] |
|
Description: |
Controls automatic transmit power level adjustment during MNP 10 link negotiation |
|
Command |
Function |
|
í )M0 |
Power level adjustment disabled |
|
)M1 |
Power level adjustment enabled |
|
MODULATION SELECTION DISPLAY | |
|
Type: |
Immediate |
|
Format: |
AT [cmds] +MS? [cmds] |
|
Description: |
Displays modulation, automode, minimum rate and maximum rate settings |
|
MODULATION SELECTION | |
|
Type: |
Configuration |
|
Format: |
AT [cmds] +MS=x,y,z,a [cmds] |
|
Description: |
Sets options for active protocol; the transfer rates specified by z and a must be valid for the protocol selected. |
|
Command |
Function |
|
x=0 |
V.21 |
|
x=1 |
V.22 |
|
x=2 |
V.22bis |
|
x=3 |
V.23 |
|
x=9 |
V.32 |
|
x =10 |
V.32bis |
|
í x=11 |
V.34 |
|
x =64 |
Bell 103 |
|
x =69 |
Bell 212A |
|
x =74 |
V.FC |
|
y =0 |
Automode disabled |
|
í y=1 |
Auto-detect highest speed enabled |
|
z, a=300 |
Set minimum or maximum transfer rate at 300bps, respectively. |
|
z, a =1200 |
Set minimum or maximum transfer rate at 1200bps, respectively. |
|
z, a =2400 |
Set minimum or maximum transfer rate at 2400bps, respectively. |
|
z, a =4800 |
Set minimum or maximum transfer rate at 4800bps, respectively. |
|
z, a =7200 |
Set minimum or maximum transfer rate at 7200bps, respectively. |
|
z, a =9600 |
Set minimum or maximum transfer rate at 9600bps, respectively. |
|
z, a =12000 |
Set minimum or maximum transfer rate at 12000bps, respectively. |
|
z, a =14400 |
Set minimum or maximum transfer rate at 14400bps, respectively. |
|
z, a =16800 |
Set minimum or maximum transfer rate at 16800bps, respectively. |
|
z, a =19200 |
Set minimum or maximum transfer rate at 19200bps, respectively. |
|
z, a =21600 |
Set minimum or maximum transfer rate at 21600bps, respectively. |
|
z, a =24000 |
Set minimum or maximum transfer rate at 24000bps, respectively. |
|
z, a =26400 |
Set minimum or maximum transfer rate at 26400bps, respectively. |
|
z, a =28800 |
Set minimum or maximum transfer rate at 28800bps, respectively. |
|
SLEEP TIMER | |
|
Type: |
Register |
|
Format |
AT [cmds] S24=n [cmds] |
|
Default: |
0 |
|
Range: |
0-255 |
|
Unit: |
1 second |
|
Description: |
Maximum duration of DTE and DCE inactivity allowed prior to initiating low-power sleep mode. |
|
SPEAKERPHONE OPTIONS | ||
|
Type: |
Immediate/Configuration | |
|
Format: |
AT [cmds] (see below) [cmds] | |
|
Description: |
Configures the modem to voice mode | |
|
Command |
Function | |
|
#CLS=8 |
Enable voice mode | |
|
#VLS=6 |
Enable speakerphone | |
|
A |
Answer in-coming call | |
|
#VRN=0 |
To originate a call, then AT<#><enter> | |
|
HZ |
Ends the call | |
|
SPEAKERPHONE SETTINGS | ||
|
Type: |
Configuration | |
|
Format: |
AT [cmds] #SPK=x, y, z [cmds] | |
|
Description: |
Controls the speakerphone settings | |
|
Command |
Function | |
|
x=0 |
Microphone muted, speaker enabled | |
|
í x=1 |
Microphone and speaker enabled | |
|
x=2 |
Microphone on maximum and speaker disabled | |
|
y =(0-16) |
Speaker volume; increase the value lowers the volume. | |
|
í Y=5 |
Default setting | |
|
Z =(0-3) |
Microphone sensitivity; increase the value the microphone becomes more sensitive. | |
|
í Z=1 |
Default setting | |
|
TRANSMISSION LEVEL - CELLULAR | |
|
Type: |
Configuration |
|
Format: |
AT [cmds] @Mn [cmds] |
|
Default: |
0 |
|
Range: |
11-30 |
|
Unit: |
-1 dBm |
|
Description: |
Sets the signal level for transmission while in cellular mode |
|
Command |
Function |
|
@M0 |
-26 dBm |
|
@M1 |
-30 dBm |
|
@M2-@M10 |
-10 dBm |
|
V.32 - COMPROMISE EQUALIZER | |
|
Type: |
Configuration |
|
Format: |
AT [cmds] :En [cmds] |
|
Description: |
Controls V.32 compromise equalizer |
|
Command |
Function |
|
:E0 |
Equalizer disabled |
|
í :E1 |
Equalizer enabled |