U.S. ROBOTICS, INC.
PASSWORD 300 MODEM
|
Modem Type |
Data (synchronous/asynchronous) |
|
Maximum Data Rate |
300bps |
|
Data Bus |
External |
|
Data Modulation Protocol |
Bell 103A/212A |

|
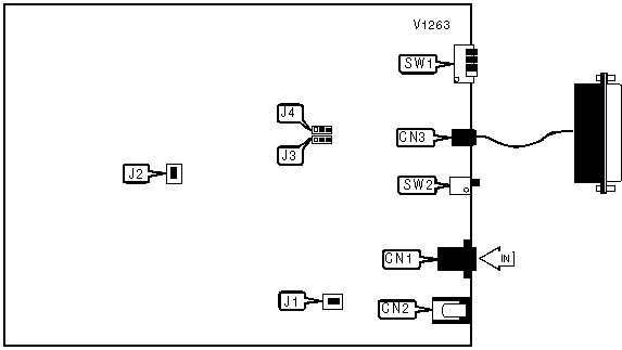
CONNECTIONS | |||
|
Purpose |
Location |
Purpose |
Location |
|
Line in |
CN1 |
RS-232/422 |
CN3 |
|
DC power |
CN2 |
Power switch |
SW2 |
|
CHARACTER LENGTH | |
| Setting |
J2 |
| » 10-bit |
Off |
| 11-bit |
On |
|
TRANSMIT AND RECEIVE SIGNAL | ||
| Setting |
J3 |
J4 |
| » Normal pin assignment |
Pins 1 & 2 closed |
Pins 1 & 2 closed |
| Tx/Rx pins reversed |
Pins 2 & 3 closed |
Pins 2 & 3 closed |
|
AUTO ANSWER | |
| Setting |
SW1/1 |
| » Modem answers on first ring |
Off |
| Modem does not answer on first ring |
On |
|
CARRIER DETECT | |
| Setting |
SW1/2 |
| » CD normal |
Off |
| CD forced high |
On |
|
DTR SIGNAL | |
| Setting |
SW1/4 |
| » DTR normal |
Off |
| DTR forced high |
On |
|
FACTORY CONFIGURED SETTINGS | |
|
Jumper |
Setting |
|
SW1/3 |
N/A |
|
J1 |
N/A |