PRACTICAL PERIPHERALS, INC.
PM144HC II (VER. 2)
|
Card Type |
Modem (asynchronous) |
|
Chipset |
Unidentified |
|
Maximum Data Rate |
14.4Kbps |
|
Maximum Fax Rate |
14.4Kbps |
|
Data Bus |
8-bit ISA |
|
Fax Class |
Class I & II |
|
Data Modulation |
Bell 103A/212A ITU-T V.21, V.22, V.22bis, V.32, V.32bis |
|
Fax Modulation |
V.17, V.27ter, V.29 |
|
Error Correction/Compression |
MNP5, V.42bis |

|
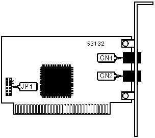
CONNECTIONS | |||
|
Function |
Label |
Function |
Label |
|
Line in/out |
CN1 |
Line in/out |
CN2 |
|
SERIAL PORT ADDRESS SELECTION | |
|
Setting |
JP1 |
|
3F8h (COM1:) |
Pins 1 & 2, 7 & 8 closed |
|
2F8h (COM2:) |
Pins 1 & 2, 8 & 9 closed |
|
3E8h (COM3:) |
Pins 2 & 3, 7 & 8 closed |
|
2E8h (COM4:) |
Pins 2 & 3, 8 & 9 closed |
|
INTERRUPT SELECTION | |
|
Setting |
JP1 |
|
IRQ2 |
Pins 10 & 11 closed |
|
IRQ3 |
Pins 11 & 12 closed |
|
IRQ4 |
Pins 5 & 6 closed |
|
IRQ5 |
Pins 4 & 5 closed |
|
SUPPORTED STANDARD COMMANDS |
|
Basic AT Commands |
|
+++, ‘comma’, A/ |
|
A, D, E, H, L, M, N, Q, V, W, X, Y, Z |
|
&D, &F, &K, &V, &W, &Y, &Z |
|
S-Registers |
|
S0, S1, S2, S3, S4, S5, S6, S7, S8, S9, S10, S11, S12, S18, S25, S30, S36, S38, S46, S48, S82 |
|
S86, S95, S108, S109, S110 |
Note: See MHI documentation for complete information. |
|
UNIDENTIFIED COMMANDS | |
|
Command |
Default |
|
S37 |
0 |
|
S43 |
0 |
Proprietary AT Command Set
|
AUTO-ANSWER MODE | ||
|
Type: |
Configuration | |
|
Format: |
AT [cmds] &An [cmds] | |
|
Description: |
Sets the mode the modem will operate in on auto-answer. | |
|
Command |
Function | |
|
í &A0 |
Modem auto-answers in answer mode. | |
|
&A1 |
Modem auto-answers in originate mode. | |
|
AUTO-RETRAIN | ||
|
Type: |
Configuration | |
|
Format: |
AT [cmds] &Bn [cmds] | |
|
Description: |
Selects whether the modem will automatically perform a retrain sequence when line conditions change. | |
|
Command |
Function | |
|
&B0 |
Auto-retrain disabled. | |
|
í &B1 |
Auto-retrain enabled. | |
|
CD SIGNAL | |
|
Type: |
Configuration |
|
Format: |
AT [cmds] &Cn [cmds] |
|
Description: |
Controls the behaviour of the CD signal. |
|
Command |
Function |
|
í &C0 |
CD forced high. |
|
&C1 |
CD forced high after carrier signal is detected. |
|
&C2 |
CD forced high except during disconnect. |
|
COMMUNICATIONS MODE | |
|
Type: |
Configuration |
|
Format: |
AT [cmds] &Qn [cmds] |
|
Description: |
Selects the communications mode the modem will use. |
|
Command |
Mode |
|
&Q0 |
Asynchronous direct mode. |
|
í &Q5 |
Asynchronous V.42 reliable mode. |
|
&Q6 |
Buffered asynchronous mode. |
|
&Q8 |
Asynchronous MNP reliable mode. |
|
&Q9 |
Asynchronous V.42bis only mode. |
|
DISPLAY INFORMATION | |
|
Type: |
Immediate |
|
Format: |
AT [cmds] In [cmds] |
|
Description: |
Displays information requested about the modem. |
|
Command |
Function |
|
I0 |
Displays product identification code. |
|
I1 |
Displays ROM checksum. |
|
I2 |
Tests and reports ROM checksum. |
|
I3 |
Displays firmware revision. |
|
I4 |
Displays feature bitmap. |
|
EXTENDED RING | ||
|
Type: |
Register | |
|
Format: |
AT [cmds] S101=n [cmds] | |
|
Default: |
0 | |
|
Range: |
0-255 | |
|
Unit: |
Bit-mapped | |
|
Description: |
Selects which extended ring types the modem will respond to. | |
|
Bit |
Value |
Function |
|
0 |
í 01 |
Do not respond to ring type A. Respond to ring type A. |
|
1 |
í 01 |
Do not respond to ring type B. Respond to ring type B. |
|
2 |
í 01 |
Do not respond to ring type C. Respond to ring type C. |
|
3 |
í 01 |
Do not respond to ring type D. Respond to ring type D. |
|
4 |
í 01 |
Do not respond to ring type E. Respond to ring type E. |
|
5 |
í 01 |
Do not respond to ring type F. Respond to ring type F. |
|
6 |
í 01 |
Do not respond to ring type G. Respond to ring type G. |
|
7 |
í 01 |
Report RING for all ring types. Report RING n where n is the ring type. |
|
ON-LINE | |
|
Type: |
Immediate |
|
Format: |
AT [cmds] On |
|
Description: |
Instructs the modem to return to on-line state. |
|
Command |
Function |
|
O0 |
Return to on-line state. |
|
O1 |
Return to on-line state and initiate retrain sequence. |
|
O3 |
Return to on-line state and initiate renegotiation sequence. |
|
PROTOCOL | |
|
Type: |
Configuration |
|
Format: |
AT [cmds] Bn [cmds] |
|
Description: |
Selects the communication protocol for low-speed data calls. |
|
Command |
Protocol |
|
B0 |
Modem will use ITU-T V.22 at 1200bps. |
|
í B1 |
Modem will use Bell 212A at 1200bps. |
|
B2 |
Modem will use ITU-T V.23 at receive 1200/transmit 75bps. |
|
B3 |
Modem will use ITU-T V.23 at receive 75/transmit 1200bps. |
|
B15 |
Modem will use ITU-T V.21 at 300bps. |
|
í B16 |
Modem will use Bell 103A at 300bps. |
|
TRELLIS CODING | ||
|
Type: |
Configuration | |
|
Format: |
AT [cmds] &Un [cmds] | |
|
Description: |
Selects whether the modem will use trellis coding. | |
|
Command |
Function | |
|
í &U0 |
Trellis coding enabled. | |
|
&U1 |
Trellis coding disabled. | |