MOTOROLA, INC.
DDS/MR64
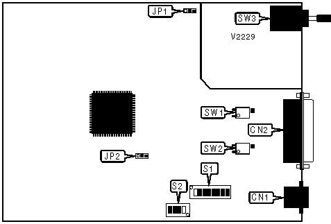
|
Card Type |
Modem (synchronous/asynchronous) |
|
Chip Set |
Unidentified |
|
Maximum Data Rate |
64Kbps |
|
Data Bus |
External |
|
Data Modulation Protocol |
Unidentified |

|
CONNECTIONS | ||||||
|
Function |
Label |
Function |
Label | |||
|
Line out |
CN1 |
Power switch |
SW3 | |||
|
V.24/V.35 connector |
CN2 | |||||
|
USER CONFIGURABLE SETTINGS | ||
|
Setting |
Label |
Position |
|
í Chassis ground connected to signal ground |
JP1 |
Pins 2 & 3 closed |
|
Chassis ground not connected to signal ground |
JP1 |
Pins 1 & 2 closed |
|
í Factory configured - do not alter |
JP2 |
Unidentified |
|
í Test mode pins of interface not connected |
S1/1 |
Off |
|
Test mode pins of interface connected |
S1/1 |
On |
|
í No Signal output of V.35 interface not connected |
S1/2 |
Off |
|
No Signal output of V.35 interface connected |
S1/2 |
On |
|
í +12V pin of interface not connected |
S1/3 |
Off |
|
+12V pin of interface connected |
S1/3 |
On |
|
í -12V pin of interface not connected |
S1/4 |
Off |
|
-12V pin of interface connected |
S1/4 |
On |
|
í Factory configured - do not alter |
S1/5 |
Off |
|
í No Signal output of V.24 interface not connected |
S1/6 |
Off |
|
No Signal output of V.24 interface connected |
S1/6 |
On |
|
í TP and LL pins of V.35 interface follow V.35 standard |
S1/7 |
On |
|
TP and LL pins of V.35 interface follow Motorola standard (swapped) |
S1/7 |
Off |
|
í Factory configured - do not alter |
S1/8 |
Off |
|
CLOCK SOURCE | ||||
|
Setting |
S2/1 |
S2/2 |
S2/3 |
S2/4 |
|
Normal operation |
Off |
Off |
On |
On |
|
Source sealing current |
On |
On |
Off |
Off |
|
SERIAL PORT TYPE | ||
|
Setting |
SW1 |
SW2 |
|
V.35 port |
Off |
Off |
|
V.24 port |
On |
On |