GLOBAL VILLAGE COMMUNICATIONS
TELEPORT 33.6 INTERNET
|
Card Type |
Modem (synchronous/asynchronous) |
|
Chipset |
Unidentified |
|
Maximum Data Rate |
33.6Kbps |
|
Maximum Fax Rate |
14.4Kbps |
|
Data Modulation |
Bell 103A/212A ITU-T V.21, V.22, V.22bis, V.23, V.32, V.32bis, V.34 Rockwell K56+ |
|
Fax Modulation |
ITU-T V.17, V.29 |
|
Error Correction/Compression |
MNP5, V.42, V.42bis |
|
Fax Class |
Class I |
|
Data Bus |
Serial |

|
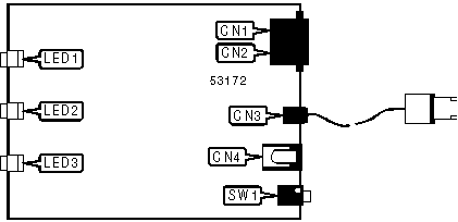
CONNECTIONS | |||
|
Function |
Label |
Function |
Label |
|
Telephone line out |
CN1 |
DC power in |
CN4 |
|
Telephone line in |
CN2 |
Power switch |
SW1 |
|
Macintosh RS-422 serial port |
CN3 | ||
|
DIAGNOSTIC LED(S) | |||
|
LED |
Color |
Status |
Condition |
|
LED1 |
Unidentified |
On |
Modem is transmitting or receiving data |
|
LED1 |
Unidentified |
Off |
Modem is not transmitting or receiving data |
|
LED2 |
Unidentified |
On |
Power is on |
|
LED2 |
Unidentified |
Off |
Power is off |
|
LED3 |
Unidentified |
On |
Modem is connected |
|
LED3 |
Unidentified |
Off |
Modem is not connected |
|
SUPPORTED STANDARD COMMANDS |
|
Basic AT Commands |
|
+++, ‘comma’, A/ |
|
A, C, D, E, H, L, M, N, Q, V, W, X, Y, Z |
|
&C, &D, &F, &G, &K, &L, &M, &P, &Q, &R, &S, &T, &V, &W, &Y, &Z |
|
Extended AT Commands |
|
\A, \B, \C, \G, \J, \K, \N, \Q, \T, \V, \X |
|
%A, %C, %E, %G |
|
Special AT Commands |
|
-C, "H, -J, -K, "N, "O |
|
S-Registers |
|
S0, S1, S2, S3, S4, S5, S6, S7, S8, S9, S10, S11, S12, S14, S16, S18, S21, S22, S23, S25, S26 |
|
S27, S30, S95, S108 |
Note: See MHI help file for complete information. |
Proprietary AT Command Set
|
AUTOSYNC HDLC ADDRESS | |
|
Type: |
Register |
|
Format: |
AT [cmds] S20=n [cmds] |
|
Default: |
0 |
|
Range: |
0-255 |
|
Unit: |
Unidentified |
|
Description: |
Sets the HDLC address and bisync character. |
|
AUTOSYNC OPTIONS | ||
|
Type: |
Register | |
|
Format |
AT [cmds] S19=n [cmds] | |
|
Default: |
26 | |
|
Range: |
0 - 30 | |
|
Description: |
Controls autosync protocol, HDLC address detection, bit coding, and HDLC idle. | |
|
Bit |
Value |
Function |
|
0 |
0 |
Not used |
|
1 |
0 í 1 |
Binary synchronous protocol used. HDLC protocol used. |
|
2 |
í 01 |
HDLC address detect disabled. HDLC address detect enabled. |
|
3 |
0 í 1 |
NRZI bit coding used. NRZ bit coding used. |
|
4 |
0 í 1 |
HDLC idle sends MARK. HDLC idle sends FLAG or SYNC. |
|
DISPLAY FIRMWARE REVISION | |
|
Type: |
Immediate |
|
Format: |
AT [cmds] -V [cmds] |
|
Description: |
Displays the version of the firmware currently installed. |
|
DISPLAY INFORMATION | |
|
Type: |
Immediate |
|
Format: |
AT [cmds] In [cmds] |
|
Description: |
Displays information requested about the modem. |
|
Command |
Function |
|
I0 |
Displays and information. |
|
I1 |
Displays ROM checksum. |
|
I2 |
Tests and reports ROM checksum. |
|
I3 |
Displays product identification code and version. |
|
I4 |
Displays modem capabilities. |
|
ESCAPE SEQUENCE TYPE | |
|
Type: |
Configuration |
|
Format: |
AT [cmds] %On [cmds] |
|
Description: |
Selects which type of escape sequences may be used. |
|
Command |
Function |
|
%O0 |
Escape sequences disabled. |
|
%O1 |
TIES (+++AT [cmds] <CR>) escape sequence enabled. |
|
%O2 |
<BREAK> AT escape sequence enabled. |
|
%O3 |
<BREAK> AT and TIES escape sequences enabled. |
|
ESCAPE SEQUENCE <CR> WAIT DELAY | |
|
Type: |
Register |
|
Format: |
AT [cmds] S32=n [cmds] |
|
Default: |
2 |
|
Range: |
Unidentified |
|
Unit: |
Unidentified |
|
Description: |
Sets the amount of time that the modem will wait between receiving the +++AT marking the beginning of an escape sequence and the <CR> ending it. |
|
LINE SPEED | |
|
Type: |
Register |
|
Format |
AT [cmds] S37=n [cmds] |
|
Description: |
Sets the maximum allowable data exchange rate attempted during handshake process. |
|
Command |
Function |
|
í S37=0 |
Speed of last connection |
|
S37=3 |
Set speed to 300bps. |
|
S37=5 |
Set speed to 1200bps. |
|
S37=6 |
Set speed to 2400bps. |
|
S37=7 |
Set speed to 4800bps. |
|
S37=8 |
Set speed to 7200bps. |
|
S37=9 |
Set speed to 9600bps. |
|
S37=10 |
Set speed to 12Kbps. |
|
LINE SPEED (CON’T) | |
|
Command |
Function |
|
S37=11 |
Set speed to 14.4Kbps. |
|
S37=12 |
Set speed to 16.8Kbps. |
|
S37=13 |
Set speed to 19.2Kbps. |
|
LOCAL SERIAL PORT SPEED | |
|
Type: |
Register |
|
Format: |
AT [cmds] S112=n [cmds] |
|
Description: |
Sets the speed of the local serial port. |
|
Command |
Function |
|
í S112=0 |
Use speed of last command. |
|
S112=2 |
Set speed to 300bps. |
|
S112=3 |
Set speed to 1200bps. |
|
S112=4 |
Set speed to 2400bps. |
|
S112=5 |
Set speed to 4800bps. |
|
S112=6 |
Set speed to 7200bps. |
|
S112=7 |
Set speed to 9600bps. |
|
S112=8 |
Set speed to 12Kbps. |
|
S112=9 |
Set speed to 14.4Kbps. |
|
S112=10 |
Set speed to 16.8Kbps. |
|
S112=11 |
Set speed to 19.2Kbps. |
|
S112=12 |
Set speed to 38.4Kbps. |
|
S112=13 |
Set speed to 57.6Kbps. |
|
S112=14 |
Set speed to 600bps. |
|
ON-LINE | |
|
Type: |
Immediate |
|
Format: |
AT [cmds] On |
|
Description: |
Instructs the modem to return to on-line state. |
|
Command |
Function |
|
O0 |
Return to on-line state. |
|
O1 |
Return to on-line state and initiate retrain sequence. |
|
O3 |
Return to on-line state and initiate rate negotiation sequence. |
|
PROTOCOL/SPEED | |
|
Type: |
Configuration |
|
Format: |
AT [cmds] Bn [cmds] |
|
Description: |
Selects the communication protocol the modem will use. |
|
Command |
Protocol |
|
B0 |
Modem will use ITU-T V.22 at 1200bps and V.21 at 300bps. |
|
B1 |
Modem will use Bell 212A at 1200bps and 103A at 300bps. |
|
B2 |
Modem will use ITU-T V.23 at 1200/75bps. |
|
B3 |
Modem will use ITU-T V.23 at 75/1200bps. |
|
B15 |
Modem will use ITU-T V.21 at 300bps. |
|
B16 |
Modem will use 103A at 300bps. |
|
B30 |
Modem will use ITU-T V.22bis at 2400bps. |
|
B41 |
Modem will use ITU-T V.32 at 4800bps. |
|
B52 |
Modem will use ITU-T V.32bis at 7200bps. |
|
B60 |
Modem will use ITU-T V.32 at 9600bps. |
|
B70 |
Modem will use ITU-T V.32bis at 12Kbps. |
|
B75 |
Modem will use ITU-T V.32bis at 14.4Kbps. |
|
TRELLIS CODING | ||
|
Type: |
Configuration | |
|
Format: |
AT [cmds] &Un [cmds] | |
|
Description: |
Selects whether the modem will use trellis coding. | |
|
Command |
Function | |
|
í &U0 |
Trellis coding enabled. | |
|
&U1 |
Trellis coding disabled. | |
|
V.32/V.32bis/V.32terbo OPTIONS | |
|
Type: |
Register |
|
Format |
AT [cmds] S110=n [cmds] |
|
Description: |
Selects options for V.32, V.32bis, and V.32terbo protocols. |
|
Command |
Function |
|
S110=0 |
V.32 enabled. |
|
S110=1 |
V.32 and V.32bis enabled. |
|
S110=2 |
V.32 and V.32bis enabled with rate re-negotiation. |
|
S110=3 |
V.32, V.32bis, and V.32terbo enabled. |
|
í S110=4 |
V.32, V.32bis, and V.32terbo enabled with rate re-negotiation. |
|
V.32 - AUTO-RETRAIN | |
|
Type: |
Configuration |
|
Format: |
AT [cmds] &Bn [cmds] |
|
Description: |
Controls auto-retrain function if poor line quality is detected. |
|
Command |
Function |
|
í &B0 |
Auto-retrain disabled, modem hangs up. |
|
&B1 |
Auto-retrain enabled, modem hangs up if retrain fails. |
|
&B2 |
Auto-retrain disabled, modem does not hang up. |
|
V.32terbo - CARRIER SPEED OPTIONS | ||
|
Type: |
Register | |
|
Format |
AT [cmds] S109=n [cmds] | |
|
Default: |
62 | |
|
Range: |
0 - 255 | |
|
Description: |
Designates the carrier speeds available for V.32terbo during handshake, retrain, and speed re-negotiations. | |
|
Bit |
Value |
Function |
|
0 |
0 |
Not used. |
|
1 |
0 í 1 |
4800bps carrier disabled. 4800bps carrier enabled. |
|
2 |
0 í 1 |
7200bps carrier disabled. 7200bps carrier enabled. |
|
3 |
0 í 1 |
9600bps carrier disabled. 9600bps carrier enabled. |
|
4 |
0 í 1 |
12Kbps carrier disabled. 12Kbps carrier enabled. |
|
5 |
0 í 1 |
14.4Kbps carrier disabled. 14.4Kbps carrier enabled. |
|
6 |
0 í 1 |
16.8Kbps carrier disabled. 16.8Kbps carrier enabled. |
|
7 |
0 í 1 |
19.2Kbps carrier disabled. 19.2Kbps carrier enabled. |