ADDTRON TECHNOLOGY CO., LTD.
ET-10F1
|
Device Type |
Transceiver |
|
NIC Type |
Ethernet |
|
Maximum Onboard Memory |
Unidentified |
|
Boot ROM |
Not available |
|
Network Transfer Rate |
10Mbps |
|
Topology |
Star |
|
Wiring Type |
Fiber Optic cable - ST |
|
Data Bus |
External |
|
CONNECTIONS | |||
|
Function |
Label |
Function |
Label |
|
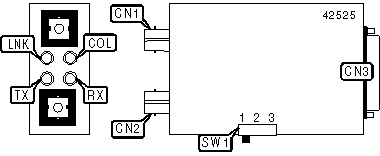
Fiber optic connector (ST) |
CN1 |
AUI transceiver via DB-15 |
CN3 |
|
Fiber optic connector (ST) |
CN2 | ||
|
USER CONFIGURABLE SETTINGS | |||
|
Function |
Label |
Position | |
| » |
SQE test function enabled |
SW1 |
1 |
|
SQE test function disabled |
SW1 |
2 | |
|
Loopback test initiated |
SW1 |
3 | |
|
DIAGNOSTIC LED(S) | |||
|
LED |
Color |
Status |
Condition |
|
RX |
Unidentified |
Blinking |
Data is being received |
|
RX |
Unidentified |
On |
Heavy LAN traffic load |
|
RX |
Unidentified |
Off |
Data is not being received |
|
TX |
Unidentified |
Blinking |
Data is being transmitted |
|
TX |
Unidentified |
On |
Large data is being transmitted |
|
TX |
Unidentified |
Off |
Data is not being transmitted |
|
LNK |
Unidentified |
On |
Network connection is good |
|
LNK |
Unidentified |
Off |
Network connection is broken |
|
COL |
Unidentified |
Blinking |
Collision detected on network |
|
COL |
Unidentified |
Off |
Collision not detected on network |
|
COL |
Unidentified |
On |
Possible error occurred |