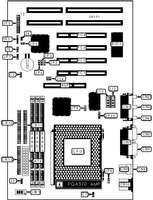
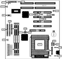
 | SUPERPOWER COMPUTER CO., LTD. Celeron SP-7MLM, SP-7MLM1 32-bit PCI slots (3), floppy drive interface, game/MIDI port, IDE interfaces (2), parallel port, PS/2 mouse port, serial ports (2), IR connector, USB connectors (2), ATX power connector, line in, line out, microphone in, audio in – CD-ROMs (2), wake |