SANYO BUSINESS SYSTEMS CORPORATION
MBC-18SX
|
Processor |
80386SX |
|
Processor Speed |
16MHz |
|
Chip Set |
Zymos |
|
Max. Onboard DRAM |
2MB |
|
Cache |
None |
|
BIOS |
Sanyo |
|
Dimensions |
332mm x 136mm |
|
I/O Options |
Serial port, parallel port, floppy drive interface, IDE interface |
|
NPU Options |
80387SX |
|
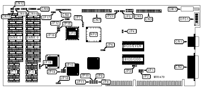
CONNECTIONS | |||
|
Purpose |
Location |
Purpose |
Location |
|
Serial port |
CN1 |
Speaker & I/O LED |
CN10 |
|
Parallel port |
CN2 |
Keylock |
CN11 |
|
Floppy drive interface |
CN3 |
External batteries |
CN12 & CN13 |
|
IDE interface |
CN7 |
Reset switch |
SW1 |
|
Keyboard connector |
CN9 | ||
|
Note:The purpose of connectors CN5 & CN8 is unidentified. | |||
|
USER CONFIGURABLE SETTINGS | |||
|
Function |
Jumper/Switch |
Position | |
| » |
Serial port interrupt select primary |
JP1 |
pins 2 & 3 closed |
|
Serial port interrupt select secondary |
JP1 |
pins 1 & 2 closed | |
| » |
Parallel port interrupt select primary |
JP2 |
pins 2 & 3 closed |
|
Parallel port interrupt select secondary |
JP2 |
pins 1 & 2 closed | |
| » |
Factory configured - do not alter |
JP3 |
pins 1 & 2 closed |
| » |
Factory configured - do not alter |
JP4 |
Open |
| » |
IDE interface enabled |
JP5 |
pins 1 & 2 closed |
| » |
IDE interface disabled |
JP5 |
pins 2 & 3 closed |
| » |
Factory configured - do not alter |
JP6 |
pins 2 & 3 closed |
| » |
Factory configured - do not alter |
JP7 |
Open |
| » |
Bus mouse address select primary |
JP12 |
pins 2 & 3 closed |
|
Bus mouse address select secondary |
JP12 |
pins 1 & 2 closed | |
| » |
Factory configured - do not alter |
JP13 |
pins 1 & 2 closed |
| » |
Factory configured - do not alter |
JP14 |
pins 1 & 2 closed |
| » |
Factory configured - do not alter |
JP15 |
pins 1 & 2 closed |
| » |
Factory configured - do not alter |
JP16 |
pins 1 & 2 closed |
| » |
Factory configured - do not alter |
JP17 |
pins 2 & 3 closed |
| » |
Factory configured - do not alter |
JP18 |
pins 2 & 3 closed |
| » |
Factory configured - do not alter |
JP19 |
pins 1 & 2 closed |
| » |
IDE interrupt select SLVAC disabled |
JP20 |
pins 1 & 2 closed |
|
IDE interrupt select SLVAC enabled |
JP20 |
pins 2 & 3 closed | |
| » |
Factory configured - do not alter |
DPS1/1 |
Off |
| » |
Parallel port address select primary |
DPS1/2 |
On |
|
Parallel port address select secondary |
DPS1/2 |
Off | |
| » |
Serial port address select primary |
DPS1/3 |
On |
|
Serial port address select secondary |
DPS1/3 |
Off | |
| » |
Floppy drive interface address select primary |
DPS1/4 |
On |
|
Floppy drive interface address select secondary |
DPS1/4 |
Off | |
| » |
Monitor type select color |
DPS1/5 |
On |
|
Monitor type select monochrome |
DPS1/5 |
Off | |
| » |
CPU speed select fast |
DPS1/6 |
On |
|
CPU speed select slow |
DPS1/6 |
Off | |
|
DRAM CONFIGURATION | ||||
|
Size |
Bank 0 |
P-0 |
Bank 1 |
P-1 |
|
1MB |
(8) 44256 |
(4) 41256 |
NONE |
NONE |
|
2MB |
(8) 44256 |
(4) 41256 |
(8) 44256 |
(4) 41256 |
|
MOUSE IRQ CONFIGURATION | ||||
|
IRQ |
JP8 |
JP9 |
JP10 |
JP11 |
|
IRQ3 |
Open |
Open |
Closed |
Open |
|
IRQ4 |
Open |
Closed |
Open |
Open |
|
IRQ5 |
Closed |
Open |
Open |
Open |
|
IRQ9 |
Open |
Open |
Open |
Closed |