ELITEGROUP COMPUTER SYSTEMS, INC.
P5SJ-AU
|
Processor |
CX M1/AM K5/AM K6/Pentium |
|
Processor Speed |
75/90/100/120/133/150/166/180/200MHz |
|
Chip Set |
SIS 5598 |
|
Video Chip Set |
SIS |
|
Maximum Onboard Memory |
512MB (EDO supported), Unified Memory Architecture (UMA) |
|
Cache |
256/512KB |
|
BIOS |
Award |
|
Dimensions |
305mm x 244mm |
|
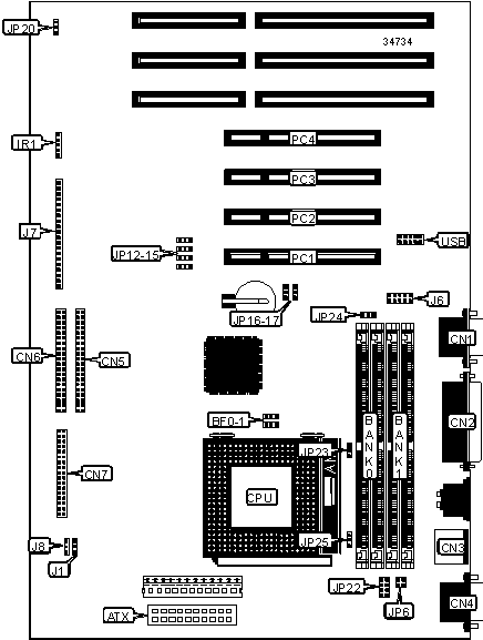
I/O Options |
32-bit PCI slots (4), floppy drive interface, IDE interfaces (2), parallel port, PS/2 mouse port, serial ports (2), VGA interface, IR connector, USB connector, ATX power connector |
|
CONNECTIONS | |||
|
Purpose |
Location |
Purpose |
Location |
|
ATX power connector |
ATX |
Serial port 1 |
CN4 |
|
Power LED |
J7/pins 1 & 3 |
IDE interface 2 |
CN5 |
|
ACPI switch |
J7/pins 4 & 5 |
IDE interface 1 |
CN6 |
|
ACPI LED |
J7/pins 6 - 8 |
Floppy drive interface |
CN7 |
|
Reset switch |
J7/pins 9 & 10 |
IR connector |
IR1 |
|
Keylock |
J7/pins 11 & 12 |
Chassis fan power |
J1 |
|
Speaker |
J7/pins 13 - 16 |
VGA interface |
J6 |
|
IDE interface LED |
J7/pins 17 & 18 |
Wake up connector |
J8 |
|
Serial port 2 |
CN1 |
32-bit PCI slots |
PC1 – PC4 |
|
Parallel port |
CN2 |
USB connector |
USB |
|
PS/2 mouse port |
CN3 | ||
|
USER CONFIGURABLE SETTINGS | |||
|
Function |
Label |
Position | |
|
» |
CMOS memory normal operation |
JP16 |
Pins 1 & 2 closed |
|
CMOS memory clear |
JP16 |
Pins 2 & 3 closed | |
|
» |
Power supply select AT |
JP17 |
Pins 2 & 3 closed |
|
Power supply select ATX |
JP17 |
Pins 1 & 2 closed | |
|
» |
Flash BIOS boot block enabled |
JP20 |
Pins 1 & 2 closed |
|
Flash BIOS boot block disabled |
JP20 |
Pins 2 & 3 closed | |
|
DRAM CONFIGURATION | ||
|
Size |
Bank 0 |
Bank 1 |
|
2MB |
(2) 512K x 36 |
None |
|
4MB |
(2) 512K x 36 |
(2) 512K x 36 |
|
8MB |
(2) 1M x 36 |
None |
|
16MB |
(2) 2M x 36 |
None |
|
16MB |
(2) 1M x 36 |
(2) 1M x 36 |
|
24MB |
(2) 2M x 36 |
(2) 1M x 36 |
|
32MB |
(2) 4M x 36 |
None |
|
32MB |
(2) 2M x 36 |
(2) 2M x 36 |
|
40MB |
(2) 4M x 36 |
(2) 1M x 36 |
|
48MB |
(2) 4M x 36 |
(2) 2M x 36 |
|
64MB |
(2) 8M x 36 |
None |
|
64MB |
(2) 4M x 36 |
(2) 4M x 36 |
|
72MB |
(2) 8M x 36 |
(2) 1M x 36 |
|
80MB |
(2) 8M x 36 |
(2) 2M x 36 |
|
96MB |
(2) 8M x 36 |
(2) 4M x 36 |
|
128MB |
(2) 8M x 36 |
(2) 8M x 36 |
|
DRAM CONFIGURATION (CON’T) | ||
|
Size |
Bank 0 |
Bank 1 |
|
128MB |
(2) 16M x 36 |
None |
|
136MB |
(2) 16M x 36 |
(2) 1M x 36 |
|
144MB |
(2) 16M x 36 |
(2) 2M x 36 |
|
160MB |
(2) 16M x 36 |
(2) 4M x 36 |
|
192MB |
(2) 16M x 36 |
(2) 8M x 36 |
|
256MB |
(2) 16M x 36 |
(2) 16M x 36 |
|
256MB |
(2) 32M x 36 |
None |
|
512MB |
(2) 32M x 36 |
(2) 32M x 36 |
|
Note: Board accepts EDO memory. | ||
|
CACHE CONFIGURATION |
|
Note: The location of the cache is unidentified. |
|
CPU SPEED SELECTION (CYRIX) | ||||||||
|
CPU speed |
Clock speed |
Multiplier |
BF0 |
BF1 |
JP12 |
JP13 |
JP14 |
JP15 |
|
90MHz |
60MHz |
2x |
2 & 3 |
1 & 2 |
2 & 3 |
1 & 2 |
1 & 2 |
2 & 3 |
|
100MHz |
50MHz |
2x |
2 & 3 |
1 & 2 |
2 & 3 |
2 & 3 |
1 & 2 |
2 & 3 |
|
120MHz |
55MHz |
2x |
2 & 3 |
1 & 2 |
2 & 3 |
2 & 3 |
1 & 2 |
1 & 2 |
|
133MHz |
60MHz |
2x |
2 & 3 |
1 & 2 |
2 & 3 |
1 & 2 |
1 & 2 |
2 & 3 |
|
150MHz |
66MHz |
2x |
2 & 3 |
1 & 2 |
1 & 2 |
2 & 3 |
1 & 2 |
2 & 3 |
|
166MHz |
66MHz |
2x |
2 & 3 |
1 & 2 |
1 & 2 |
2 & 3 |
1 & 2 |
2 & 3 |
|
200MHz |
75MHz |
3x |
1 & 2 |
2 & 3 |
2 & 3 |
1 & 2 |
1 & 2 |
1 & 2 |
|
Note: Pins designated should be in the closed position. | ||||||||
|
CPU SPEED SELECTION (AMD) | ||||||||
|
CPU speed |
Clock speed |
Multiplier |
BF0 |
BF1 |
JP12 |
JP13 |
JP14 |
JP15 |
|
75MHz |
50MHz |
1.5x |
1 & 2 |
1 & 2 |
2 & 3 |
2 & 3 |
1 & 2 |
2 & 3 |
|
90MHz |
60MHz |
1.5x |
1 & 2 |
1 & 2 |
2 & 3 |
1 & 2 |
1 & 2 |
2 & 3 |
|
100MHz |
66MHz |
1.5x |
1 & 2 |
1 & 2 |
1 & 2 |
2 & 3 |
1 & 2 |
2 & 3 |
|
120MHz |
60MHz |
2x |
2 & 3 |
1 & 2 |
2 & 3 |
1 & 2 |
1 & 2 |
2 & 3 |
|
133MHz |
66MHz |
2x |
2 & 3 |
1 & 2 |
1 & 2 |
2 & 3 |
1 & 2 |
2 & 3 |
|
150MHz |
60MHz |
2.5x |
2 & 3 |
2 & 3 |
2 & 3 |
1 & 2 |
1 & 2 |
2 & 3 |
|
166MHz |
66MHz |
2.5x |
2 & 3 |
2 & 3 |
1 & 2 |
2 & 3 |
1 & 2 |
2 & 3 |
|
Note: Pins designated should be in the closed position. | ||||||||
|
CPU SPEED SELECTION (INTEL) | ||||||||
|
CPU speed |
Clock speed |
Multiplier |
BF0 |
BF1 |
JP12 |
JP13 |
JP14 |
JP15 |
|
75MHz |
50MHz |
1.5x |
1 & 2 |
1 & 2 |
2 & 3 |
2 & 3 |
1 & 2 |
2 & 3 |
|
90MHz |
60MHz |
1.5x |
1 & 2 |
1 & 2 |
2 & 3 |
1 & 2 |
1 & 2 |
2 & 3 |
|
100MHz |
66MHz |
1.5x |
1 & 2 |
1 & 2 |
1 & 2 |
2 & 3 |
1 & 2 |
2 & 3 |
|
120MHz |
60MHz |
2x |
2 & 3 |
1 & 2 |
2 & 3 |
1 & 2 |
1 & 2 |
2 & 3 |
|
133MHz |
66MHz |
2x |
2 & 3 |
1 & 2 |
1 & 2 |
2 & 3 |
1 & 2 |
2 & 3 |
|
150MHz |
60MHz |
2.5x |
2 & 3 |
2 & 3 |
2 & 3 |
1 & 2 |
1 & 2 |
2 & 3 |
|
166MHz |
66MHz |
2.5x |
2 & 3 |
2 & 3 |
1 & 2 |
2 & 3 |
1 & 2 |
2 & 3 |
|
180MHz |
60MHz |
3x |
1 & 2 |
2 & 3 |
2 & 3 |
1 & 2 |
1 & 2 |
2 & 3 |
|
200MHz |
66MHz |
3x |
1 & 2 |
2 & 3 |
1 & 2 |
2 & 3 |
1 & 2 |
2 & 3 |
|
Note: Pins designated should be in the closed position. | ||||||||
|
CPU VOLTAGE SELECTION (SINGLE) | ||
|
Voltage |
JP6 |
JP22 |
|
3.3v |
Pins 1 & 2 closed |
Pins 1 & 2, 3 & 4, 5 & 6, 7 & 8 closed |
|
3.52v |
Pins 3 & 4 closed |
Pins 1 & 2, 3 & 4, 5 & 6, 7 & 8 closed |
|
CPU VOLTAGE SELECTION (DUAL) | |||
|
Voltage |
V core |
JP6 |
JP22 |
|
3.3v |
2.54v |
1 & 2 |
3 & 4, 7 & 8 |
|
3.3v |
2.84v |
1 & 2 |
1 & 2 |
|
3.3v |
2.94v |
1 & 2 |
1 & 2, 7 & 8 |
|
3.3v |
3.24v |
1 & 2 |
1 & 2, 3 & 4 |
|
3.3v |
3.34v |
1 & 2 |
3 & 4, 5 & 6 |
|
3.52v |
2.54v |
3 & 4 |
3 & 4, 7 & 8 |
|
3.52v |
2.84v |
3 & 4 |
1 & 2. |
|
3.52v |
2.94v |
3 & 4 |
1 & 2, 7 & 8 |
|
3.52v |
3.24v |
3 & 4 |
1 & 2, 3 & 4 |
|
3.52v |
3.34v |
3 & 4 |
3 & 4, 5 & 6 |
|
Note: Pins designated should be in the closed position. | |||
|
ON BOARD VIDEO SELECTION | |||
|
Setting |
JP23 |
JP24 |
JP25 |
|
Enabled |
Pins 1 & 2 closed |
Pins 2 & 3 closed |
Pins 1 & 2 closed |
|
Disabled |
Pins 2 & 3 closed |
Pins 1 & 2 closed |
Pins 2 & 3 closed |