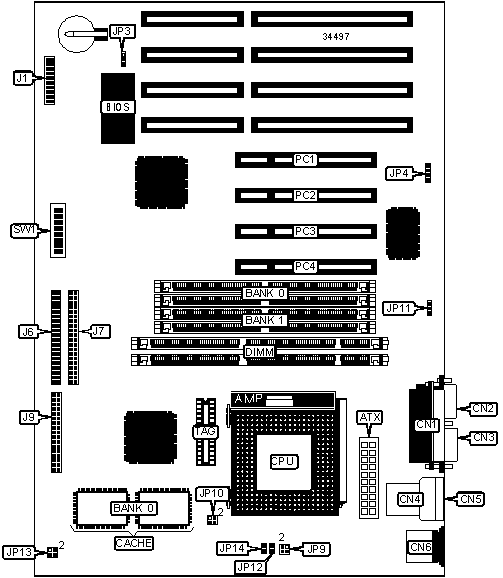
GEMLIGHT COMPUTER, LTD.
GMB-P57IAX (VER. 1.10)
|
Processor |
CX 6X86/CX 6X86L/CX 6X86MX/AM K5/AM K6/Pentium |
|
Processor Speed |
90/100/120/133/150/166/200/233/266MHz |
|
Chip Set |
Intel |
|
Video Chip Set |
None |
|
Maximum Onboard Memory |
256MB (EDO supported) |
|
Maximum Video Memory |
None |
|
Cache |
256/512KB |
|
BIOS |
AMI |
|
Dimensions |
304mm x 210mm |
|
I/O Options |
32-bit PCI slots (4), floppy drive interface, IDE interfaces (2), parallel port, PS/2 mouse port, serial ports (2), IR connector, USB connectors (2), ATX power connector |
|
NPU Options |
None |
|
CONNECTIONS | |||
|
Purpose |
Location |
Purpose |
Location |
|
ATX power connector |
ATX |
Reset switch |
J1/pins 9 & 10 |
|
Parallel port |
CN1 |
Power LED & keylock |
J1/pins 11 - 15 |
|
Serial port 2 |
CN2 |
Speaker |
J1/pins 17 - 20 |
|
Serial port 1 |
CN3 |
IDE interface 1 |
J6 |
|
USB connector 1 |
CN4 |
IDE interface 2 |
J7 |
|
USB connector 2 |
CN5 |
Floppy drive interface |
J9 |
|
PS/2 mouse port |
CN6 |
IR connector |
JP4 |
|
IDE interface LED |
J1/pins 1 & 2 |
32-bit PCI slots |
PCI – PC4 |
|
Power button |
J1/pins 5 & 6 | ||
|
USER CONFIGURABLE SETTINGS | |||
|
Function |
Label |
Position | |
|
Flash BIOS voltage select 12v |
JP3 |
Pins 1 & 2 closed | |
|
Flash BIOS voltage select 5v |
JP3 |
Pins 2 & 3 closed | |
|
Ring in select COM1 |
JP11 |
Pins 1 & 2 closed | |
|
Ring in select COM2 |
JP11 |
Pins 2 & 3 closed | |
|
DRAM CONFIGURATION | ||
|
Size |
Bank 0 |
Bank 1 |
|
8MB |
(2) 1M x 32 |
None |
|
16MB |
(2) 2M x 32 |
None |
|
16MB |
(2) 1M x 32 |
(2) 1M x 32 |
|
24MB |
(2) 2M x 32 |
(2) 1M x 32 |
|
32MB |
(2) 4M x 32 |
None |
|
32MB |
(2) 2M x 32 |
(2) 2M x 32 |
|
40MB |
(2) 4M x 32 |
(2) 1M x 32 |
|
48MB |
(2) 4M x 32 |
(2) 2M x 32 |
|
64MB |
(2) 8M x 32 |
None |
|
64MB |
(2) 4M x 32 |
(2) 4M x 32 |
|
72MB |
(2) 8M x 32 |
(2) 1M x 32 |
|
80MB |
(2) 8M x 32 |
(2) 2M x 32 |
|
96MB |
(2) 8M x 32 |
(2) 4M x 32 |
|
128MB |
(2) 8M x 32 |
(2) 8M x 32 |
|
128MB |
(2) 16M x 32 |
None |
|
136MB |
(2) 16M x 32 |
(2) 1M x 32 |
|
144MB |
(2) 16M x 32 |
(2) 2M x 32 |
|
160MB |
(2) 16M x 32 |
(2) 4M x 32 |
|
192MB |
(2) 16M x 32 |
(2) 8M x 32 |
|
256MB |
(2) 16M x 32 |
(2) 16M x 32 |
|
Note: Board accepts EDO memory. | ||
|
DIMM CONFIGURATION | ||
|
Size |
Bank 0 |
Bank 1 |
|
8MB |
(1) 1M x 64 |
None |
|
16MB |
(1) 2M x 64 |
None |
|
16MB |
(1) 1M x 64 |
(1) 1M x 64 |
|
24MB |
(1) 2M x 64 |
(1) 1M x 64 |
|
32MB |
(1) 4M x 64 |
None |
|
32MB |
(1) 2M x 64 |
(1) 2M x 64 |
|
40MB |
(1) 4M x 64 |
(1) 1M x 64 |
|
48MB |
(1) 4M x 64 |
(1) 2M x 64 |
|
64MB |
(1) 8M x 64 |
None |
|
64MB |
(1) 4M x 64 |
(1) 4M x 64 |
|
72MB |
(1) 8M x 64 |
(1) 1M x 64 |
|
80MB |
(1) 8M x 64 |
(1) 2M x 64 |
|
96MB |
(1) 8M x 64 |
(1) 4M x 64 |
|
128MB |
(1) 8M x 64 |
(1) 8M x 64 |
|
CACHE CONFIGURATION | ||
|
Size |
Bank 0 |
TAG |
|
256KB |
(2) 32K x 32 |
Unidentified |
|
512KB |
(2) 64K x 32 |
Unidentified |
|
CPU SPEED SELECTION (CX 6X86) | ||||||
|
CPU speed |
Clock speed |
Multiplier |
SW1/1 |
SW1/2 |
SW1/3 |
SW1/4 |
|
133MHz |
55MHz |
2x |
Off |
On |
On |
Off |
|
150MHz |
60MHz |
2x |
Off |
On |
On |
Off |
|
166MHz |
66MHz |
2x |
Off |
On |
On |
Off |
|
CPU SPEED SELECTION (CX 6X86, CON’T) | ||||||
|
CPU speed |
Clock speed |
Multiplier |
SW1/5 |
SW1/6 |
SW1/7 |
SW1/8 |
|
133MHz |
55MHz |
2x |
Off |
On |
On |
Off |
|
150MHz |
60MHz |
2x |
Off |
On |
Off |
Off |
|
166MHz |
66MHz |
2x |
Off |
Off |
Off |
Off |
|
CPU SPEED SELECTION (CX 6X86L/MX) | ||||||
|
CPU speed |
Clock speed |
Multiplier |
SW1/1 |
SW1/2 |
SW1/3 |
SW1/4 |
|
166MHz |
66MHz |
2x |
Off |
On |
On |
Off |
|
200MHz |
75MHz |
2x |
Off |
On |
On |
Off |
|
CPU SPEED SELECTION (CX 6X86L/MX, CON’T) | ||||||
|
CPU speed |
Clock speed |
Multiplier |
SW1/5 |
SW1/6 |
SW1/7 |
SW1/8 |
|
166MHz |
66MHz |
2x |
Off |
Off |
Off |
Off |
|
200MHz |
75MHz |
2x |
Off |
Off |
On |
Off |
|
CPU SPEED SELECTION (AM K5) | ||||||
|
CPU speed |
Clock speed |
Multiplier |
SW1/1 |
SW1/2 |
SW1/3 |
SW1/4 |
|
90MHz |
60MHz |
1.5x |
Off |
On |
Off |
Off |
|
100MHz |
66MHz |
1.5x |
Off |
On |
Off |
Off |
|
120MHz |
60MHz |
1.5x |
Off |
On |
Off |
Off |
|
133MHz |
66MHz |
2x |
Off |
On |
On |
Off |
|
150MHz |
60MHz |
1.5x |
Off |
On |
Off |
Off |
|
166MHz |
66MHz |
2.5x |
Off |
On |
On |
On |
|
CPU SPEED SELECTION (AM K5, CON’T) | ||||||
|
CPU speed |
Clock speed |
Multiplier |
SW1/5 |
SW1/6 |
SW1/7 |
SW1/8 |
|
90MHz |
60MHz |
1.5x |
Off |
On |
Off |
Off |
|
100MHz |
66MHz |
1.5x |
Off |
Off |
Off |
Off |
|
120MHz |
60MHz |
1.5x |
Off |
On |
Off |
Off |
|
133MHz |
66MHz |
2x |
Off |
Off |
Off |
Off |
|
150MHz |
60MHz |
1.5x |
Off |
Off |
Off |
Off |
|
166MHz |
66MHz |
2.5x |
Off |
Off |
Off |
Off |
|
CPU SPEED SELECTION (AM K6) | ||||||
|
CPU speed |
Clock speed |
Multiplier |
SW1/1 |
SW1/2 |
SW1/3 |
SW1/4 |
|
166MHz |
66MHz |
2.5x |
Off |
On |
On |
On |
|
200MHz |
66MHz |
3x |
Off |
On |
Off |
On |
|
233MHz |
66MHz |
3.5x |
Off |
On |
Off |
Off |
|
CPU SPEED SELECTION (AM K6, CON’T) | ||||||
|
CPU speed |
Clock speed |
Multiplier |
SW1/5 |
SW1/6 |
SW1/7 |
SW1/8 |
|
166MHz |
66MHz |
2.5x |
Off |
Off |
Off |
Off |
|
200MHz |
66MHz |
3x |
Off |
Off |
Off |
Off |
|
233MHz |
66MHz |
3.5x |
Off |
Off |
Off |
Off |
|
CPU SPEED SELECTION (INTEL) | ||||||
|
CPU speed |
Clock speed |
Multiplier |
SW1/1 |
SW1/2 |
SW1/3 |
SW1/4 |
|
90MHz |
60MHz |
1.5x |
Off |
On |
Off |
Off |
|
100MHz |
66MHz |
1.5x |
Off |
On |
Off |
Off |
|
120MHz |
60MHz |
2x |
Off |
On |
On |
Off |
|
133MHz |
66MHz |
2x |
Off |
On |
On |
Off |
|
150MHz |
60MHz |
2.5x |
Off |
On |
On |
On |
|
166MHz |
66MHz |
2.5x |
Off |
On |
On |
On |
|
200MHz |
66MHz |
3x |
Off |
On |
Off |
On |
|
233MHz |
66MHz |
3.5x |
Off |
On |
Off |
Off |
|
CPU SPEED SELECTION (INTEL, CON’T) | ||||||
|
CPU speed |
Clock speed |
Multiplier |
SW1/5 |
SW1/6 |
SW1/7 |
SW1/8 |
|
90MHz |
60MHz |
1.5x |
Off |
On |
Off |
Off |
|
100MHz |
66MHz |
1.5x |
Off |
Off |
Off |
Off |
|
120MHz |
60MHz |
2x |
Off |
On |
Off |
Off |
|
133MHz |
66MHz |
2x |
Off |
Off |
Off |
Off |
|
150MHz |
60MHz |
2.5x |
Off |
On |
Off |
Off |
|
166MHz |
66MHz |
2.5x |
Off |
Off |
Off |
Off |
|
200MHz |
66MHz |
3x |
Off |
Off |
Off |
Off |
|
233MHz |
66MHz |
3.5x |
Off |
Off |
Off |
Off |
|
CPU VOLTAGE SELECTION (SINGLE) | |||||
|
Voltage |
JP9 |
JP10 |
JP12 |
JP13 |
JP14 |
|
3.3v |
1 & 2 |
1 & 2, 3 & 4 |
Closed |
Open |
Closed |
|
3.5v |
1 & 2, 3 & 4 |
1 & 2, 3 & 4 |
Closed |
Open |
Closed |
|
Note: Pins designated should be in the closed position. | |||||
|
CPU VOLTAGE SELECTION (DUAL) | ||||||
|
Voltage |
V core |
JP9 |
JP10 |
JP12 |
JP13 |
JP14 |
|
3.3v |
2.8v |
Open |
Open |
Open |
1 & 2, 3 & 4 |
Open |
|
3.3v |
2.9v |
1 & 2 |
Open |
Open |
1 & 2, 3 & 4 |
Open |
|
3.3v |
3.2v |
1 & 2 |
Open |
Closed |
1 & 2, 3 & 4 |
Closed |
|
Note: Pins designated should be in the closed position. | ||||||