COMPAQ COMPUTER CORPORATION
DESKPRO 386s (Model 002116)
|
Processor |
80386SX |
|
Processor Speed |
16MHz |
|
Chip Set |
Compaq |
|
Max. Onboard DRAM |
12MB |
|
Cache |
None |
|
BIOS |
Compaq |
|
Dimensions |
332mm x 333mm |
|
I/O Options |
VGA feature connector, floppy drive interface, IDE interface, proprietary system memory card slot, parallel port, serial port, VGA port, bus mouse |
|
NPU Options |
80387SX |
|
CONNECTIONS | |||
|
Purpose |
Location |
Purpose |
Location |
|
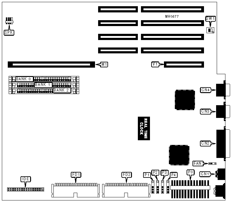
Bus mouse port |
CN1 |
IDE interface |
IDE |
|
Parallel port |
CN2 |
Proprietary system memory card |
M1 |
|
Serial port |
CN3 |
Speaker |
SPK |
|
VGA port |
CN4 |
Main power |
P0 |
|
Fan power |
FAN |
Drive power plugs |
P1-P4 |
|
3.5 inch floppy drive interface |
FD1 |
VGA feature connector |
V1 |
|
5.25 inch floppy drive interface |
FD2 | ||
|
USER CONFIGURABLE SETTINGS | |||
|
Function |
Switch |
Position | |
| » |
VGA port enabled |
SW1/1 |
On |
|
VGA port disabled |
SW1/1 |
Off | |
| » |
Password enabled |
SW1/2 |
On |
|
Password disabled |
SW1/2 |
Off | |
|
DRAM CONFIGURATION | |||
|
Size |
Bank 0 |
Bank 1 |
Bank 2 |
|
1MB |
1M x 9 |
NONE |
NONE |
|
2MB |
1M x 9 |
1M x 9 |
NONE |
|
3MB |
1M x 9 |
1M x 9 |
1M x 9 |
|
4MB |
4M x 9 |
NONE |
NONE |
|
5MB |
4M x 9 |
1M x 9 |
NONE |
|
6MB |
4M x 9 |
1M x 9 |
1M x 9 |
|
8MB |
4M x 9 |
4M x 9 |
NONE |
|
9MB |
4M x 9 |
4M x 9 |
1M x 9 |
|
12MB |
4M x 9 |
4M x 9 |
4M x 9 |