ASUS COMPUTER INTERNATIONAL
P2L-M (REV. 1.01 AUDIO)
|
Device Type |
Mainboard |
|
Processor |
Pentium II |
|
Processor Speed |
233/266/300/333MHz |
|
Chip Set |
Intel |
|
Video Chip Set |
None |
|
Maximum Onboard Memory |
256MB (EDO & SDRAM supported) |
|
Maximum Video Memory |
None |
|
Cache |
256/512KB (located on Pentium II CPU) |
|
BIOS |
Unidentified |
|
Dimensions |
305mm x 244mm |
|
I/O Options |
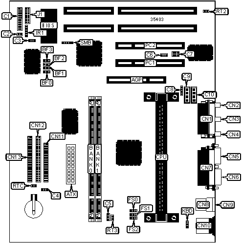
32-bit PCI slots (2), floppy drive interface, game/MIDI port, green PC connector, IDE interfaces (2), parallel port, PS/2 mouse port, serial ports (2), IR connector, USB connectors (2), ATX power connector, AGP slot, line in, line out, microphone in, audio in - CD-ROMs (2) |
|
NPU Options |
None |

|
CONNECTIONS |
|||
|
Purpose |
Location |
Purpose |
Location |
|
AGP slot |
AGP |
Game/MIDI port |
CN1 |
|
ATX power connector |
ATX |
Microphone in |
CN2 |
|
Power LED & keylock |
C1/pins 1 - 5 |
Line in |
CN3 |
|
Speaker |
C1/pins 7 - 10 |
Line out |
CN4 |
|
Message LED |
C1/pins 12 & 13 |
Serial port 2 |
CN5 |
|
Green PC connector |
C1/pins 14 & 15 |
Serial port 1 |
CN6 |
|
Soft off power supply |
C1/pins 16 & 17 |
Parallel port |
CN7 |
|
Reset switch |
C1/pins 19 & 20 |
USB connector 1 |
CN8 |
|
IDE interface LED |
C2 |
USB connector 2 |
CN9 |
|
Chassis fan power |
C3 |
PS/2 mouse port |
CN10 |
|
Fan power |
C4 |
Floppy drive interface |
CN11 |
|
CPU fan power |
C5 |
IDE interface 2 |
CN12 |
|
Wake on LAN connector |
C6 |
IDE interface 1 |
CN13 |
|
Digital audio interface |
C7 |
IR connector |
IR1 |
|
Audio in - CD-ROM |
C8 |
32-bit PCI slots |
PC1 - PC2 |
|
Audio in - CD-ROM |
C9 |
Thermal temperature sensor |
RT3 |
|
Stereo audio in |
C10 |
|
|
|
USER CONFIGURABLE SETTINGS |
|||
|
Function |
Label |
Position |
|
|
» |
Factory configured - do not alter |
J1 |
Unidentified |
|
» |
Keyboard power disabled |
KBD |
Pins 1 & 2 closed |
|
|
Keyboard power enabled |
KBD |
Pins 2 & 3 closed |
|
» |
CMOS memory normal operation |
RTC |
Open |
|
|
CMOS memory clear |
RTC |
Closed |
|
» |
Factory configured - do not alter |
RT2 |
Unidentified |
|
» |
Factory configured - do not alter |
SMB |
Unidentified |
|
DIMM CONFIGURATION |
||
|
Size |
Bank 0 |
Bank 1 |
|
8MB |
(1) 1M x 64 |
None |
|
16MB |
(1) 2M x 64 |
None |
|
16MB |
(1) 1M x 64 |
(1) 1M x 64 |
|
24MB |
(1) 2M x 64 |
(1) 1M x 64 |
|
32MB |
(1) 4M x 64 |
None |
|
32MB |
(1) 2M x 64 |
(1) 2M x 64 |
|
DIMM CONFIGURATION (CON'T) |
||
|
Size |
Bank 0 |
Bank 1 |
|
40MB |
(1) 4M x 64 |
(1) 1M x 64 |
|
48MB |
(1) 4M x 64 |
(1) 2M x 64 |
|
64MB |
(1) 8M x 64 |
None |
|
64MB |
(1) 4M x 64 |
(1) 4M x 64 |
|
72MB |
(1) 8M x 64 |
(1) 1M x 64 |
|
80MB |
(1) 8M x 64 |
(1) 2M x 64 |
|
96MB |
(1) 8M x 64 |
(1) 4M x 64 |
|
128MB |
(1) 16M x 64 |
None |
|
128MB |
(1) 8M x 64 |
(1) 8M x 64 |
|
136MB |
(1) 16M x 64 |
(1) 1M x 64 |
|
144MB |
(1) 16M x 64 |
(1) 2M x 64 |
|
160MB |
(1) 16M x 64 |
(1) 4M x 64 |
|
192MB |
(1) 16M x 64 |
(1) 8M x 64 |
|
256MB |
(1) 16M x 64 |
(1) 16M x 64 |
|
Note: Board accepts EDO & SDRAM memory. |
||
|
CACHE CONFIGURATION |
|
Note: 256KB/512KB cache is located on the Pentium II CPU. |
|
CPU SPEED SELECTION |
|||||
|
CPU speed |
Clock speed |
Multiplier |
FS0 |
FS1 |
FS2 |
|
233MHz |
66MHz |
3.5x |
1 & 2 |
1 & 2 |
1 & 2 |
|
266MHz |
66MHz |
4x |
1 & 2 |
1 & 2 |
1 & 2 |
|
300MHz |
66MHz |
4.5x |
1 & 2 |
1 & 2 |
1 & 2 |
|
333MHz |
66MHz |
5x |
1 & 2 |
1 & 2 |
1 & 2 |
|
Note: Pins designated should be in the closed position. |
|||||
|
CPU SPEED SELECTION (CON'T) |
||||||
|
CPU speed |
Clock speed |
Multiplier |
BF0 |
BF1 |
BF2 |
BF3 |
|
233MHz |
66MHz |
3.5x |
1 & 2 |
1 & 2 |
2 & 3 |
2 & 3 |
|
266MHz |
66MHz |
4x |
2 & 3 |
2 & 3 |
1 & 2 |
2 & 3 |
|
300MHz |
66MHz |
4.5x |
1 & 2 |
2 & 3 |
1 & 2 |
2 & 3 |
|
333MHz |
66MHz |
5x |
2 & 3 |
1 & 2 |
1 & 2 |
2 & 3 |
|
Note: Pins designated should be in the closed position. |
||||||