BIOSTAR MICROTECH INTERNATIONAL CORPORATION
M6TLA (VER. 1.1)
|
Device Type |
Mainboard |
|
Processor |
Pentium II |
|
Processor Speed |
200/233/266/300/MHz |
|
Chip Set |
Intel |
|
Video Chip Set |
None |
|
Maximum Onboard Memory |
1GB (EDO & SDRAM supported) |
|
Maximum Video Memory |
None |
|
Cache |
256/512KB (located on Pentium II CPU) |
|
BIOS |
Award |
|
Dimensions |
305mm x 220mm |
|
I/O Options |
32-bit PCI slots (4), floppy drive interface, green PC connector, IDE interfaces (2), parallel port, PS/2 mouse port, serial ports (2), IR connector, USB connectors (2), ATX power connector, AGP slot |
|
NPU Options |
None |
|
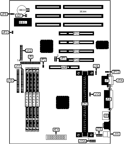
CONNECTIONS | |||
|
Purpose |
Location |
Purpose |
Location |
|
AGP slot |
AGP |
VCC ground |
J12/pins 14 & 15 |
|
ATX power connector |
ATX |
Green PC connector |
J12/pins 16 & 17 |
|
Floppy drive interface |
J6 |
IDE interface LED |
J12/pins 18 - 21 |
|
Serial port 2 |
J7 |
IR connector |
J12/pins 22 - 26 |
|
Serial port 1 |
J7A |
Parallel port |
J14 |
|
PS/2 mouse port |
J8 |
USB connector |
J15 |
|
IDE interface 1 |
J10 |
USB connector |
J15A |
|
IDE interface 2 |
J11 |
Wake on LAN connector |
J26 |
|
Speaker |
J12/pins 1 - 4 |
Wake on modem connector |
J27 |
|
Power LED & keylock |
J12/pins 5 - 9 |
ATX power on switch |
JP3 |
|
Soft off power supply |
J12/pins 10 & 11 |
CPU fan power |
JY3 |
|
Reset switch |
J12/pins 12 & 13 |
32-bit PCI slots |
PC1 – PC4 |
|
USER CONFIGURABLE SETTINGS | |||
|
Function |
Label |
Position | |
|
In order queue depth enabled |
JP2 |
Open | |
|
In order queue depth disabled |
JP2 |
Closed | |
|
» |
CMOS memory normal operation |
JP8 |
Pins 1 & 2 closed |
|
CMOS memory clear |
JP8 |
Pins 2 & 3 closed | |
|
On board battery disabled |
JP8 |
Open | |
|
External modem COM select COM1 |
JP12 |
Pins 1 & 2 closed | |
|
External modem COM select COM2 |
JP12 |
Pins 2 & 3 closed | |
|
DIMM CONFIGURATION | ||||
|
Size |
Bank 0 |
Bank 1 |
Bank 2 |
Bank 3 |
|
8MB |
(1) 1M x 64 |
None |
None |
None |
|
16MB |
(1) 2M x 64 |
None |
None |
None |
|
16MB |
(1) 1M x 64 |
(1) 1M x 64 |
None |
None |
|
24MB |
(1) 2M x 64 |
(1) 1M x 64 |
None |
None |
|
24MB |
(1) 1M x 64 |
(1) 1M x 64 |
(1) 1M x 64 |
None |
|
32MB |
(1) 4M x 64 |
None |
None |
None |
|
32MB |
(1) 2M x 64 |
(1) 2M x 64 |
None |
None |
|
32MB |
(1) 1M x 64 |
(1) 1M x 64 |
(1) 1M x 64 |
(1) 1M x 64 |
|
40MB |
(1) 4M x 64 |
(1) 1M x 64 |
None |
None |
|
48MB |
(1) 4M x 64 |
(1) 2M x 64 |
None |
None |
|
48MB |
(1) 2M x 64 |
(1) 2M x 64 |
(1) 2M x 64 |
None |
|
64MB |
(1) 2M x 64 |
(1) 2M x 64 |
(1) 2M x 64 |
(1) 2M x 64 |
|
DIMM CONFIGURATION (CON’T) | ||||
|
Size |
Bank 0 |
Bank 1 |
Bank 2 |
Bank 3 |
|
64MB |
(1) 8M x 64 |
None |
None |
None |
|
64MB |
(1) 4M x 64 |
(1) 4M x 64 |
None |
None |
|
72MB |
(1) 8M x 64 |
(1) 1M x 64 |
None |
None |
|
80MB |
(1) 8M x 64 |
(1) 2M x 64 |
None |
None |
|
96MB |
(1) 8M x 64 |
(1) 4M x 64 |
None |
None |
|
96MB |
(1) 4M x 64 |
(1) 4M x 64 |
(1) 4M x 64 |
None |
|
128MB |
(1) 16M x 64 |
None |
None |
None |
|
128MB |
(1) 8M x 64 |
(1) 8M x 64 |
None |
None |
|
128MB |
(1) 4M x 64 |
(1) 4M x 64 |
(1) 4M x 64 |
(1) 4M x 64 |
|
136MB |
(1) 16M x 64 |
(1) 1M x 64 |
None |
None |
|
144MB |
(1) 16M x 64 |
(1) 2M x 64 |
None |
None |
|
152MB |
(1) 16M x 64 |
(1) 1M x 64 |
(1) 1M x 64 |
(1) 1M x 64 |
|
160MB |
(1) 16M x 64 |
(1) 4M x 64 |
None |
None |
|
176MB |
(1) 16M x 64 |
(1) 2M x 64 |
(1) 2M x 64 |
(1) 2M x 64 |
|
192MB |
(1) 16M x 64 |
(1) 8M x 64 |
None |
None |
|
192MB |
(1) 8M x 64 |
(1) 8M x 64 |
(1) 8M x 64 |
None |
|
224MB |
(1) 16M x 64 |
(1) 4M x 64 |
(1) 4M x 64 |
(1) 4M x 64 |
|
256MB |
(1) 32M x 64 |
None |
None |
None |
|
256MB |
(1) 16M x 64 |
(1) 16M x 64 |
None |
None |
|
256MB |
(1) 8M x 64 |
(1) 8M x 64 |
(1) 8M x 64 |
(1) 8M x 64 |
|
272MB |
(1) 16M x 64 |
(1) 16M x 64 |
(1) 1M x 64 |
(1) 1M x 64 |
|
280MB |
(1) 32M x 64 |
(1) 1M x 64 |
(1) 1M x 64 |
(1) 1M x 64 |
|
288MB |
(1) 16M x 64 |
(1) 16M x 64 |
(1) 2M x 64 |
(1) 2M x 64 |
|
304MB |
(1) 32M x 64 |
(1) 2M x 64 |
(1) 2M x 64 |
(1) 2M x 64 |
|
320MB |
(1) 16M x 64 |
(1) 16M x 64 |
(1) 4M x 64 |
(1) 4M x 64 |
|
320MB |
(1) 16M x 64 |
(1) 8M x 64 |
(1) 8M x 64 |
(1) 8M x 64 |
|
352MB |
(1) 32M x 64 |
(1) 4M x 64 |
(1) 4M x 64 |
(1) 4M x 64 |
|
384MB |
(1) 16M x 64 |
(1) 16M x 64 |
(1) 16M x 64 |
None |
|
448MB |
(1) 32M x 64 |
(1) 8M x 64 |
(1) 8M x 64 |
(1) 8M x 64 |
|
512MB |
(1) 32M x 64 |
(1) 32M x 64 |
None |
None |
|
512MB |
(1) 16M x 64 |
(1) 16M x 64 |
(1) 16M x 64 |
(1) 16M x 64 |
|
640MB |
(1) 32M x 64 |
(1) 16M x 64 |
(1) 16M x 64 |
(1) 16M x 64 |
|
768MB |
(1) 32M x 64 |
(1) 32M x 64 |
(1) 32M x 64 |
None |
|
1024MB |
(1) 32M x 64 |
(1) 32M x 64 |
(1) 32M x 64 |
(1) 32M x 64 |
|
Note: Board accepts EDO & SDRAM memory. Maximum SDRAM is 512MB. Maximum EDO is 1GB. | ||||
|
CACHE CONFIGURATION |
|
Note: 256KB/512KB cache is located on the Pentium II CPU. |
|
CPU SPEED SELECTION | ||||||
|
CPU speed |
Clock speed |
Multiplier |
JP1/ pins 1 & 2 |
JP1/ pins 3 & 4 |
JP1/ pins 5 & 6 |
JP1/ pins 7 & 8 |
|
200MHz |
66MHz |
3x |
Open |
Closed |
Open |
Closed |
|
233MHz |
66MHz |
3.5x |
Open |
Open |
Open |
Closed |
|
266MHz |
66MHz |
4x |
Open |
Closed |
Closed |
Open |
|
300MHz |
66MHz |
4.5x |
Open |
Open |
Closed |
Open |
|
CPU VOLTAGE SELECTION | |||||
|
Voltage |
J19/pins 1 & 2 |
J19/pins 3 & 4 |
J19/pins 5 & 6 |
J19/pins 7 & 8 |
J19/pins 9 & 10 |
|
Auto detect |
Open |
Open |
Open |
Open |
Open |
|
2.1 |
Closed |
Open |
Open |
Open |
Open |
|
2.2 |
Open |
Closed |
Open |
Open |
Open |
|
2.3 |
Closed |
Closed |
Open |
Open |
Open |
|
2.4 |
Open |
Open |
Closed |
Open |
Open |
|
2.5 |
Closed |
Open |
Closed |
Open |
Open |
|
2.6 |
Open |
Closed |
Closed |
Open |
Open |
|
2.7 |
Closed |
Closed |
Closed |
Open |
Open |
|
2.8 |
Open |
Open |
Open |
Closed |
Open |
|
2.9 |
Closed |
Open |
Open |
Closed |
Open |
|
3.0 |
Open |
Closed |
Open |
Closed |
Open |
|
3.1 |
Closed |
Closed |
Open |
Closed |
Open |
|
3.2 |
Open |
Open |
Closed |
Closed |
Open |
|
3.3 |
Closed |
Open |
Closed |
Closed |
Open |
|
3.4 |
Open |
Closed |
Closed |
Closed |
Open |
|
3.5 |
Closed |
Closed |
Closed |
Closed |
Open |