UNIDENTIFIED
M/G/P CARD
|
Card Type |
Graphics/printer card |
|
Chipset/Controller |
Unidentified |
|
I/O Options |
Parallel port, video port |
|
Maximum DRAM |
N/A |
|
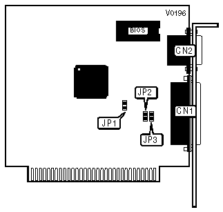
CONNECTIONS | |||
|
Purpose |
Location |
Purpose |
Location |
|
Parallel port |
CN1 |
15-pin analog video port |
CN2 |
|
BIOS TYPE CONFIGURATION | ||
|
Type |
JP1 | |
| » |
2764 |
Closed |
|
UM2301 |
Open | |
|
PARALLEL PORT CONFIGURATION | ||
|
LPT |
JP2 |
JP3 |
|
1 |
Open |
Open |
|
2 |
Open |
Closed |
|
3 |
Closed |
Open |
|
Disabled |
Closed |
Closed |