SYSGEN, INC.
OMNI-BRIDGE
|
Card Type |
Floppy drive controller |
|
Chip Set |
Unidentified |
|
Maximum Onboard Memory |
None |
|
I/O Options |
floppy drive interface |
|
Data Bus |
8-bit ISA |
|
Floppy drives supported |
Two 360KB, 720KB, 1.2MB, or 1.44MB drives |
|
CONNECTIONS | |||
|
Function |
Label |
Function |
Label |
|
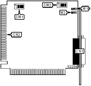
Floppy drive module connector |
CN1 |
Floppy drive interface |
CN2 |
|
USER CONFIGURABLE SETTINGS | |||
|
Function |
Label |
Position | |
| » |
I/O address select is 3F0h - 3F7h |
SW2/3 |
Off |
|
I/O address select is 370h - 377h |
SW2/3 |
On | |
|
Fixed drive speed |
SW2/4 |
Off | |
|
Dual drive speed |
SW2/4 |
On | |
|
DRIVE TYPE A CONFIGURATION | ||
|
Type |
SW1/1 |
SW1/2 |
|
360KB |
Off |
Off |
|
720KB |
On |
Off |
|
1.2MB |
Off |
On |
|
1.44MB |
On |
On |
|
DRIVE TYPE B CONFIGURATION | ||
|
Type |
SW1/3 |
SW1/4 |
|
360KB |
Off |
Off |
|
720KB |
On |
Off |
|
1.2MB |
Off |
On |
|
1.44MB |
On |
On |
|
BIOS ADDRESS SELECTION | ||
|
Address |
SW2/1 |
SW2/2 |
|
CA00h |
Off |
On |
|
CC00h |
On |
Off |
|
CE00h |
On |
On |
|
None |
Off |
Off |
|
EXTERNAL POWER CONFIGURATION | ||
|
Setting |
W1 |
W2 |
|
Disabled |
Pins 2 & 3 closed |
Pins 2 & 3 closed |
|
Enabled |
Pins 1 & 2 closed |
Pins 1 & 2 closed |