PROCOM TECHNOLOGY
PICDL HOST ADAPTER
|
Card Type |
CD-ROM interface card |
|
Chip Set |
Unidentified |
|
Maximum Onboard Memory |
Unidentified |
|
I/O Options |
CD-ROM interface, DC power connector, audio in |
|
Hard Drives supported |
None |
|
Floppy drives supported |
None |
|
Data Bus |
8-bit ISA |
|
Card Size |
Half-length |
|
CONNECTIONS | |||
|
Function |
Label |
Function |
Label |
|
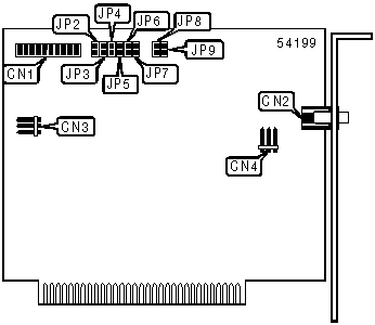
16-pin internal drive connector |
CN1 |
DC power connector |
CN3 |
|
Audio in |
CN2 |
Internal audio connector |
CN4 |
|
BASE I/O ADDRESS SELECTION | |||
|
Setting |
JP8 |
JP9 | |
|
300h |
Closed |
Closed | |
|
310h |
Open |
Closed | |
|
330h |
Closed |
Open | |
| » |
340h |
Open |
Open |
|
IRQ INTERRUPT SELECTION | |||||||
|
IRQ |
JP2 |
JP3 |
JP4 |
JP5 |
JP6 |
JP7 | |
|
IRQ2 |
Closed |
Open |
Open |
Open |
Open |
Open | |
|
IRQ3 |
Open |
Closed |
Open |
Open |
Open |
Open | |
|
IRQ4 |
Open |
Open |
Closed |
Open |
Open |
Open | |
|
IRQ5 |
Open |
Open |
Open |
Closed |
Open |
Open | |
|
IRQ6 |
Open |
Open |
Open |
Open |
Closed |
Open | |
| » |
IRQ7 |
Open |
Open |
Open |
Open |
Open |
Closed |
|
MISCELLANEOUS TECHNICAL NOTES |
|
For use with the PROCOM TECHNOLOGY, PICDL CD-ROM drive |