KOUWELL ELECTRONIC CORPORATION
KM-514
|
Card Type |
Multi-I/O card |
|
Chip Set |
Unidentified |
|
Maximum Onboard Memory |
448KB DRAM |
|
I/O Options |
Game/MIDI port, parallel port, serial ports (2) |
|
Data Bus |
32-bit EISA |
|
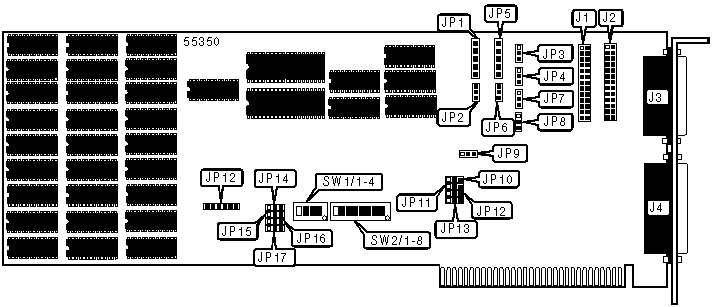
CONNECTIONS | |||
|
Function |
Label |
Function |
Label |
|
Serial port 1 connector |
J1 |
Game/MIDI port |
J3 |
|
Serial port 2 connector |
J2 |
Parallel port |
J4 |
|
USER CONFIGURABLE SETTINGS | ||
|
Function |
Label |
Setting |
|
Game port enabled |
SW2/4 |
On |
|
Game port disabled |
SW2/4 |
Off |
|
Parallel port enabled |
SW2/5 |
On |
|
Parallel port disabled |
SW2/5 |
Off |
|
Clock/calendar enabled |
SW2/6 |
On |
|
Clock/calendar disabled |
SW2/6 |
Off |
|
Serial port ASYNC 2 enabled |
SW2/7 |
On |
|
Serial port ASYNC 2 disabled |
SW2/7 |
Off |
|
Serial port ASYNC 1 enabled |
SW2/8 |
On |
|
Serial port ASYNC 1 disabled |
SW2/8 |
Off |
|
SERIAL PORT 1 DTE COMMUNICATION SELECTION | ||
|
Function |
Label |
Position |
|
TXD, RXD normal |
JP1 |
Pins 2 & 3, 4 & 5 closed |
|
TXD, RXD exchanged in ASYNC 1 |
JP1 |
Pins 1 & 2, 3 & 4 closed |
|
RTS, CTS normal |
JP2 |
Pins 2 & 3 closed |
|
RTS, CTS combined in ASYNC 1 |
JP2 |
Pins 1 & 2 closed |
|
DSR, DTR normal |
JP3 |
Pins 2 & 3 closed |
|
DSR, DTR combined in ASYNC 1 |
JP3 |
Pins 1 & 2 closed |
|
DCD, DTR normal |
JP4 |
Pins 2 & 3 closed |
|
DCD, DTR combined in ASYNC 1 |
JP4 |
Pins 1 & 2 closed |
|
Note: To alter jumper connections, remove conductive traces with a sharp knife, and solder on new traces. | ||
|
SERIAL PORT 2 DTE COMMUNICATION SELECTION | ||
|
Function |
Label |
Position |
|
TXD, RXD normal |
JP5 |
Pins 2 & 3, 4 & 5 closed |
|
TXD, RXD exchanged in ASYNC 2 |
JP5 |
Pins 1 & 2, 3 & 4 closed |
|
RTS, CTS normal |
JP6 |
Pins 2 & 3 closed |
|
RTS, CTS combined in ASYNC 2 |
JP6 |
Pins 1 & 2 closed |
|
DSR, DTR normal |
JP7 |
Pins 2 & 3 closed |
|
DSR, DTR combined in ASYNC 2 |
JP7 |
Pins 1 & 2 closed |
|
DCD, DTR normal |
JP8 |
Pins 2 & 3 closed |
|
DCD, DTR combined in ASYNC 2 |
JP8 |
Pins 1 & 2 closed |
|
Note: To alter jumper connections, remove conductive traces with a sharp knife, and solder on new traces. | ||
|
SERIAL PORT 1 INTERRUPT SELECTION | |||||
|
IRQ |
JP10 |
JP11 |
JP12 |
JP13 | |
|
2 |
Pins 1 & 2 closed |
Open |
Open |
Open | |
|
3 |
Open |
Pins 1 & 2 closed |
Open |
Open | |
| » |
4 |
Open |
Open |
Pins 1 & 2 closed |
Open |
|
5 |
Open |
Open |
Open |
Pins 1 & 2 closed | |
|
SERIAL PORT 2 INTERRUPT SELECTION | |||||
|
IRQ |
JP10 |
JP11 |
JP12 |
JP13 | |
|
2 |
Pins 2 & 3 closed |
Open |
Open |
Open | |
| » |
3 |
Open |
Pins 2 & 3 closed |
Open |
Open |
|
4 |
Open |
Open |
Pins 2 & 3 closed |
Open | |
|
5 |
Open |
Open |
Open |
Pins 2 & 3 closed | |
|
SERIAL PORT 1 ADDRESS SELECTION | ||||
|
Setting |
JP14 |
JP15 |
JP16 |
JP17 |
|
COM1 (3F8h) |
Open |
Open |
Open |
Pins 2 & 3 closed |
|
COM2 (2F8h) |
Open |
Open |
Pins 2 & 3 closed |
Open |
|
COM3 (1F8h) |
Open |
Pins 2 & 3 closed |
Open |
Open |
|
COM4 (0F8h) |
Pins 2 & 3 closed |
Open |
Open |
Open |
|
SERIAL PORT 2 ADDRESS SELECTION | ||||
|
Setting |
JP14 |
JP15 |
JP16 |
JP17 |
|
COM1 (3F8h) |
Open |
Open |
Open |
Pins 1 & 2 closed |
|
COM2 (2F8h) |
Open |
Open |
Pins 1 & 2 closed |
Open |
|
COM3 (1F8h) |
Open |
Pins 1 & 2 closed |
Open |
Open |
|
COM4 (0F8h) |
Pins 1 & 2 closed |
Open |
Open |
Open |
|
PARALLEL PORT MODE SELECTION | ||
|
Function |
Label |
Setting |
|
I/O mode |
JP9 |
Pins 2 & 3 closed |
|
Printer mode |
JP9 |
Pins 1 & 2 closed |
|
PARALLEL PORT I/O ADDRESS SELECTION | |
|
Address |
JP12 |
|
278h |
Pins 5 & 6 closed |
|
378h |
Pins 4 & 5 closed |
|
RAM CAPACITY SELECTION | |||||
|
Size |
SW1/1 |
SW1/2 |
SW1/3 |
SW1/4 | |
|
0KB |
Off |
Off |
Off |
On | |
|
64KB |
On |
Off |
Off |
On | |
|
128KB |
Off |
On |
Off |
On | |
|
192KB |
On |
On |
Off |
On | |
|
256KB |
Off |
Off |
On |
On | |
|
320KB |
On |
Off |
On |
On | |
| » |
384KB |
On |
On |
On |
On |
|
STARTING ADDRESS SELECTION | ||||
|
Address |
SW2/1 |
SW2/2 |
SW2/3 | |
|
0K |
Off |
Off |
Off | |
|
64K |
On |
Off |
Off | |
| » |
128K |
Off |
On |
Off |
|
192K |
On |
On |
Off | |
|
256K |
Off |
Off |
On | |
|
320K |
On |
Off |
On | |
|
384K |
Off |
On |
On | |
|
448K |
On |
On |
On | |
|
NOTE: The starting address at 0K disables the memory. | ||||