AMERICAN DATA AQUISITION CORPORATION
5508BG
|
Card Type |
Data Aquisition |
|
Chip Set |
Unidentified |
|
Maximum Onboard Memory |
Unidentified |
|
I/O Options |
Analog input, digital input |
|
Hard Drives supported |
None |
|
Floppy drives supported |
None |
|
Data Bus |
8-bit ISA |
|
Card Size |
Three-quarter length |

|
CONNECTIONS |
|||
|
Function |
Label |
Function |
Label |
|
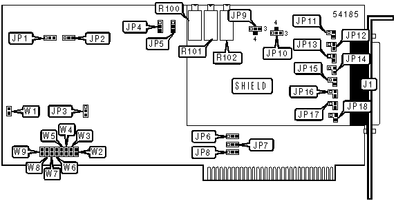
37-pin analog/digital signals connector |
J1 |
Bipolar offset selector |
R101 |
|
Unipolar offset selector |
R100 |
A/D converter range selector |
R102 |
|
USER CONFIGURABLE SETTINGS |
|||
|
Function |
Label |
Position |
|
|
» |
Two's compliment data coding |
JP1 |
Pins 1 & 2 closed |
|
|
Straight binary data coding |
JP1 |
Pins 2 & 3 closed |
|
» |
Sign extend data coding |
JP2 |
Pins 1 & 2 closed |
|
|
Zero extend data coding |
JP2 |
Pins 2 & 3 closed |
|
» |
On-board oscillator |
JP3 |
Pins 2 & 3 closed |
|
|
Exterior hardware trigger |
JP3 |
Pins 1 & 2 closed |
|
» |
Scan disabled |
W1 |
Open |
|
|
Scan enabled |
W1 |
Closed |
|
A/D RANGE SELECTION |
|||
|
Polarity |
Voltage |
JP4 |
JP5 |
|
Bipolar |
+ 5V |
Pins 1 & 2 closed |
Pins 1 & 2 closed |
|
Unipolar |
0-10V |
Pins 1 & 2 closed |
Pins 2 & 3 closed |
|
Bipolar |
+ 10V |
Pins 2 & 3 closed |
Pins 1 & 2 closed |
|
EXCITATION & BRIDGE POWER VOLTAGE |
||||
|
V EXC |
Vb |
JP9 |
JP10 |
|
|
|
+2.5V |
5V |
Pins 1 & 2 closed |
Pins 2 & 3 closed |
|
» |
+2.5V |
12V |
Pins 2 & 3 closed |
Pins 2 & 3 closed |
|
|
+2.5V |
15V external |
Pins 2 & 4 closed |
Pins 2 & 3 closed |
|
|
5V |
12V |
Pins 2 & 3 closed |
Pins 2 & 4 closed |
|
|
5V |
15V external |
Pins 2 & 4 closed |
Pins 2 & 4 closed |
|
|
10V |
15V external |
Pins 2 & 4 closed |
Pins 1 & 2 closed |
|
CHANNEL 0 INPUT BRIDGE CONFIGURATION |
||
|
Setting |
JP11 |
|
|
» |
Quarter bridge |
Pins 1 & 2 closed |
|
|
Full bridge |
Pins 2 & 3 closed |
|
|
Half bridge |
Open |
|
CHANNEL 1 INPUT BRIDGE CONFIGURATION |
||
|
Setting |
JP12 |
|
|
» |
Quarter bridge |
Pins 1 & 2 closed |
|
|
Full bridge |
Pins 2 & 3 closed |
|
|
Half bridge |
Open |
|
CHANNEL 2 INPUT BRIDGE CONFIGURATION |
||
|
Setting |
JP13 |
|
|
» |
Quarter bridge |
Pins 1 & 2 closed |
|
|
Full bridge |
Pins 2 & 3 closed |
|
|
Half bridge |
Open |
|
CHANNEL 3 INPUT BRIDGE CONFIGURATION |
||
|
Setting |
JP14 |
|
|
» |
Quarter bridge |
Pins 1 & 2 closed |
|
|
Full bridge |
Pins 2 & 3 closed |
|
|
Half bridge |
Open |
|
CHANNEL 4 INPUT BRIDGE CONFIGURATION |
||
|
Setting |
JP15 |
|
|
» |
Quarter bridge |
Pins 1 & 2 closed |
|
|
Full bridge |
Pins 2 & 3 closed |
|
|
Half bridge |
Open |
|
CHANNEL 5 INPUT BRIDGE CONFIGURATION |
||
|
Setting |
JP16 |
|
|
» |
Quarter bridge |
Pins 1 & 2 closed |
|
|
Full bridge |
Pins 2 & 3 closed |
|
|
Half bridge |
Open |
|
CHANNEL 6 INPUT BRIDGE CONFIGURATION |
||
|
Setting |
JP17 |
|
|
» |
Quarter bridge |
Pins 1 & 2 closed |
|
|
Full bridge |
Pins 2 & 3 closed |
|
|
Half bridge |
Open |
|
CHANNEL 7 INPUT BRIDGE CONFIGURATION |
||
|
Setting |
JP18 |
|
|
» |
Quarter bridge |
Pins 1 & 2 closed |
|
|
Full bridge |
Pins 2 & 3 closed |
|
|
Half bridge |
Open |
|
BASE I/O ADDRESS SELECTION |
|||||||||
|
Setting |
W9 |
W8 |
W7 |
W6 |
W5 |
W4 |
W3 |
W2 |
|
|
|
000h |
Open |
Open |
Open |
Open |
Open |
Open |
Open |
Open |
|
|
004h |
Open |
Open |
Open |
Open |
Open |
Open |
Open |
Closed |
|
|
008h |
Open |
Open |
Open |
Open |
Open |
Open |
Closed |
Open |
|
|
00Ch |
Open |
Open |
Open |
Open |
Open |
Open |
Closed |
Closed |
|
|
010h |
Open |
Open |
Open |
Open |
Open |
Closed |
Open |
Open |
|
» |
110h |
Open |
Closed |
Open |
Open |
Open |
Closed |
Open |
Open |
|
|
3ECh |
Closed |
Closed |
Closed |
Closed |
Closed |
Open |
Closed |
Closed |
|
|
3F0h |
Closed |
Closed |
Closed |
Closed |
Closed |
Closed |
Open |
Open |
|
|
3F4h |
Closed |
Closed |
Closed |
Closed |
Closed |
Closed |
Open |
Closed |
|
|
3F8h |
Closed |
Closed |
Closed |
Closed |
Closed |
Closed |
Closed |
Open |
|
|
3FCh |
Closed |
Closed |
Closed |
Closed |
Closed |
Closed |
Closed |
Closed |
|
Note: A total of 256 base address settings are available. The jumpers are a binary representation of the decimal memory addresses. W9 is the Most Significant Bit and jumper W2 is the Least Significant Bit. The jumpers have the following decimal values: W9=512, W8=256, W7=128, W6=64, W5=32, W4=16, W3=8, W2=4. Turn off the switches and add the values of the switches to obtain the correct memory address. (Close=1, Open=0) |
|||||||||
|
IRQ INTERRUPT SELECTION |
||||
|
IRQ |
JP6 |
JP7 |
JP8 |
|
|
» |
Disabled |
Open |
Open |
Open |
|
|
IRQ2 |
Open |
Open |
Pins 1 & 2 closed |
|
|
IRQ3 |
Open |
Pins 1 & 2 closed |
Open |
|
|
IRQ4 |
Pins 1 & 2 closed |
Open |
Open |
|
|
IRQ5 |
Open |
Open |
Pins 2 & 3 closed |
|
|
IRQ6 |
Open |
Pins 2 & 3 closed |
Open |
|
|
IRQ7 |
Pins 2 & 3 closed |
Open |
Open |