ADLIB MULTIMEDIA, INC.
ASB 16 SPECIAL EDITION
|
Card Type |
Sound card |
|
Chip Set |
Unidentified |
|
Maximum Onboard Memory |
N/A |
|
I/O Options |
MIDI/game port, CD audio in (4), microphone in, line in, line out, wavetable, Adlib media connector |
|
Hard Drives supported |
None |
|
Floppy drives supported |
None |
|
Data Bus |
8-bit ISA |
|
Card Size |
Half-length, full-height card |
|
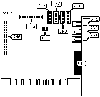
CONNECTIONS | |||
|
Function |
Label |
Function |
Label |
|
MIDI/game port |
CN1 |
Wavetable |
CN6 |
|
Microphone in |
CN2 |
CD audio in - IDE |
CN7 |
|
Line in |
CN3 |
CD audio in - Sony |
CN8 |
|
Line out |
CN4 |
CD audio in - Panasonic |
CN9 |
|
Adlib media connector |
CN5 |
CD audio in - Mitsumi |
CN10 |
|
MICROPHONE TYPE CONFIGURATION | |
|
Setting |
JP4 |
|
Secondary power for electret or condenser microphone (stereo recording) |
Pins 1 & 2 closed |
|
Stereo to mono microphone mixer (mono recording) |
Pins 3 & 4 closed |
|
Primary power for electret or condenser microphone (stereo recording) |
Pins 5 & 6 closed |