BEHAVIOR TECH COMPUTER CORPORATION, INC.
1833/1835 SOUND CARD
|
Card Type |
Sound card |
|
Chip Set |
Unidentified |
|
Maximum Onboard Memory |
None |
|
I/O Options |
Game/MIDI port, line out, volume control, microphone in, line in, Mitsumi CD-ROM port, Panasonic CD-ROM port, Sony CD-ROM port, wavetable |
|
Data Bus |
16-bit ISA |
|
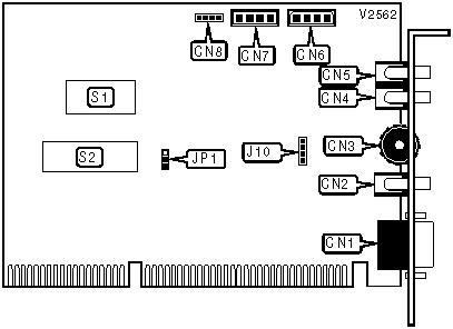
CONNECTIONS | |||
|
Function |
Label |
Function |
Label |
|
Game/MIDI port |
CN1 |
Panasonic CD-ROM port |
CN7 |
|
Line out |
CN2 |
Sony CD-ROM port |
CN8 |
|
Volume control |
CN3 |
Internal speaker out |
J10 |
|
Microphone in |
CN4 |
Wavetable |
S1 |
|
Line in |
CN5 |
Wavetable |
S2 |
|
Mitsumi CD-ROM port |
CN6 | ||
|
USER CONFIGURABLE SETTINGS | |||
|
Function |
Label |
Position | |
| » |
Plug and Play enabled |
JP1 |
Pins 1 & 2 closed |
|
Plug and Play disabled |
JP1 |
Pins 2 & 3 closed | |
|
TECHNICAL NOTE |
|
Note: JP1 is not designed for 1833 sound card. |