SONY CORPORATION
CDU-31A ADAPTER BOARD
|
Card Type |
CD-ROM drive controller card |
|
Chipset |
Unidentified |
|
Maximum onboard memory |
Unidentified |
|
I/O options |
CD-ROM audio in, line out |
|
Hard Drives supported |
None |
|
Floppy drives supported |
None |
|
Data Bus |
8-bit ISA |
|
Card Size |
Half-length, full-height card |
|
CONNECTIONS | |||
|
Function |
Location |
Function |
Location |
|
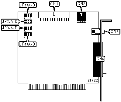
34-pin proprietary CD-ROM interface - internal |
CN1 |
Line out |
CN3 |
|
Audio in - CD-ROM |
CN2 |
50-pin proprietary CD-ROM connector - external |
CN4 |
|
USER CONFIGURABLE SETTINGS | |||
|
Function |
Label |
Position | |
| » |
Factory configured - do not alter |
JP1/C |
Reserved |
| » |
Factory configured - do not alter |
JP1/D |
Reserved |
| » |
Factory configured - do not alter |
JP2/D |
Reserved |
| » |
Factory configured - do not alter |
JP3/D |
Reserved |
|
DMA CHANNEL SELECTION | ||||||
|
Channel |
JP2/A |
JP2/B |
JP2/C |
JP3/A |
JP3/B |
JP3/C |
|
1 |
On |
Off |
Off |
On |
Off |
Off |
|
2 |
Off |
On |
Off |
Off |
On |
Off |
|
3 |
Off |
Off |
On |
Off |
Off |
On |
|
INTERRUPT SELECTION | ||||
|
IRQ |
JP4/A |
JP4/B |
JP4/C |
JP4/D |
|
3 |
Off |
Off |
On |
Off |
|
4 |
Off |
On |
Off |
On |
|
5 |
On |
Off |
Off |
Off |
|
6 |
Off |
On |
Off |
Off |
|
BASE I/O ADDRESS SELECTION | ||
|
Address |
JP1/A |
JP1/B |
|
320h |
Closed |
Closed |
|
330h |
Closed |
Open |
|
340h |
Open |
Closed |
|
360h |
Open |
Open |