SEAGATE TECHNOLOGY, INC.
ST01-A, ST01-B, ST01-E50
|
|
Data bus: 8-bit, ISA
Size: Half-length, full-height card
Hard drives supported: Up to seven SCSI devices
Floppy drives supported: None
|
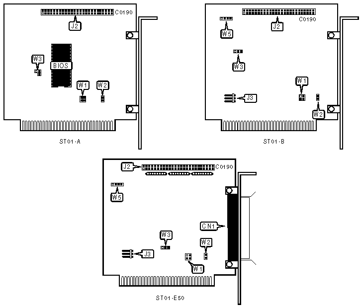
CONNECTIONS | |
|
Function |
Location |
|
50-pin SCSI connector-external (ST01-E50 only) |
CN1 |
|
50-pin SCSI connector-internal |
J2 |
|
5-pin connector-DC power |
J3 |
|
4-pin connector-drive active LED |
J5 |
SEAGATE TECHNOLOGY, INC.
ST01-A, ST01-B, ST01-E50
. . . continued from previous page
|
USER CONFIGURABLESETTINGS | |||
|
Function |
Location |
Setting | |
| » |
Zero wait state disabled |
W2 |
open |
|
Zero wait state enabled |
W2 |
closed | |
| » |
Hard Drive Interrupt is IRQ5 |
W3 |
pins 2 & 3 closed |
|
Hard Drive Interrupt is IRQ3 |
W3 |
pins 1 & 2 closed | |
|
Interrupts disabled |
W3 |
open | |
|
8K BIOS ADDRESS | |||
|
Address |
W1 pins 1 & 2 |
W1 pins 3 & 4 | |
| » |
CA000h |
open |
open |
|
C8000h |
closed |
open | |
|
CE000h |
open |
closed | |
|
DE000h |
closed |
closed | |
|
16K BIOS ADDRESS | |||
|
Address |
W1 pins 1 & 2 |
W1 pins 3 & 4 | |
| » |
C800h |
open |
open |
|
Not valid |
closed |
open | |
|
CC00h |
open |
closed | |
|
DC00h |
closed |
closed | |